Система отопления двухэтажного дома. Системы разводки для двухэтажных домов
- Система отопления двухэтажного дома. Системы разводки для двухэтажных домов
 - Система отопления двухэтажного дома с теплыми полами. Что представляет собой теплый водяной пол
 - Обвязка котла двухэтажного дома. Схема отопления двухэтажного дома с двухконтурным котлом
 - Отопление двухэтажного дома двухконтурным котлом. Почему стоит выбрать двухконтурный котёл
 - Система отопления двухэтажного дома ленинградка. Описание особенностей системы
 
Система отопления двухэтажного дома. Системы разводки для двухэтажных домов
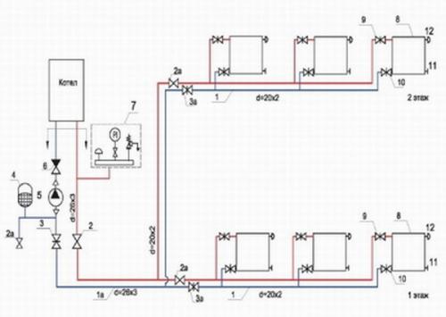
Для отопления двухэтажных домов можно использовать одно-, двухтрубную и коллекторную разводки. Если выбрать проект с однотрубной системой, то регулировка температуры в помещениях будет довольно сложной задачей, поскольку невозможно перекрыть один из радиаторов при работе остальных приборов. Она подразумевает последовательную циркуляцию теплоносителя от прибора к прибору.
Что же касается двухтрубной, то она более универсальная и идеально подходит для отопления частного двухэтажного дома. Реализация подобной системы несложная – к каждому прибору отопительной системы подключаются две трубы – одна из них отвечает за подачу горячей воды, а по второй выходит остывшая. Но в отличие от однотрубной системы, такая схема отличается порядком подключения отопительных агрегатов, а потому, чтобы повысить ее эффективность, специалисты рекомендуют устанавливать перед каждым радиатором регулировочный бак.
Вне зависимости от размеров дома, для 2-х этажной постройки будет достаточно расстояния между верхней точкой подающей магистрали и центром для обеспечения нормальной циркуляции воды. Таким образом, установка расширительного бачка будет возможна не только на чердаке, но и на верхнем этаже. А сами трубы можно монтировать под подоконниками или потолком.
Кроме этого, двухтрубная система с циркуляционным насосом, позволяет еще и реализовать систему «теплый» пол, а также подключить полотенцесушители на каждом этаже и другие устройства такого класса. Но о них несколько позже.
Система отопления двухэтажного дома с теплыми полами. Что представляет собой теплый водяной пол
Водяной теплый пол- целая система современного отопления, заменяющего радиаторы.
Она представляет собой сеть труб, находящихся между бетонным и деревянным покрытием. Сверху деревянного покрытия укладывают плитку, ламинат или какой-нибудь другой напольный материал по выбору хозяина дома. По трубопроводам циркулирует вода, нагреваемая от газового котла или центрального отопления.Под воздействием горячей жидкости напольное покрытие прогревается, теплый воздух распространяется по всему помещению, нагревая его. Устремляясь ввысь, воздух понижает свою температуру, остывая. Поэтому у потолка его температура намного ниже, чем на поверхности пола. 
Преимущества и недостатки теплого пола
Преимущества такого вида отопления в доме:
Эстетичный вид. 
В квартире не видны источники отопления, можно использовать любой дизайн дома по вашему усмотрению.
- Безопасность.
 
Дети случайно не обожгутся, как в случае с радиаторами. Отопительные трубы находятся глубоко, под напольным покрытием.
- Экономичность.
 
По сравнению с радиаторами, которые потребляют больше тепла, чем водяные полы, экономия на отоплении будет-20-30%. (хорошо прогревается расстояние на уровне 2-2, 5 м от пола).Если потолки выше, то и экономия больше. Пол в деревянном доме, как и в каменном нагревается водяными теплоносителями низкой температуры-40-50 градусов. Экономятся энергоресурсы на прогревание помещения.
- Комфортность.
 
Такая отопительная система несет приятное тепло в дом. От нее прогревается все помещение равномерно. Ногам всегда тепло(у поверхности температура воздуха+22.) По полу можно ходить босяком даже в сильные морозы. Дети могут ползать, играть, бегать по полу, не опасаясь заболеть. Остывший воздух на уровне головы прогрет только до 18 градусов. В таких условиях человек чувствует комфортно. При отоплении радиаторами теплый воздух циркулирует по кругу, сначала поднимается вверх, а затем возвращается вниз. Теплопотери приводят к тому, что на поверхности пола воздух остывает, ногам холодно. Вверху-самая высокая температура, поэтому человек испытывает дискомфорт от жары. 
Износоустойчивость. 
Этот вид отопления в частном доме обладает долгосрочным действием. Срок годности полипропиленовых труб-50 лет.
- Можно регулировать температуру нагрева.
 
Главными недостатками такой системы является:
- невозможность установления в многоквартирном доме.
 - трудность ремонта труб, потому что заменить их можно только подняв напольное покрытие.
 
Обвязка котла двухэтажного дома. Схема отопления двухэтажного дома с двухконтурным котлом
Обычная схема отопления двухэтажного дома с двухконтурным котлом ничем не отличается от такой же схемы с одноконтурным теплогенератором, если дело касается только обогрева помещений. Что же касается ГВС, то схема отопления двухэтажного дома с двухконтурным котлом имеет свои особенности. 
 В первую очередь, это добавление к обвязке теплогенератора в виде подводящего и отводящего трубопровода ГВС. Подводится холодная вода, а отводится, соответственно, горячая. При этом схема отопления двухэтажного дома с двухконтурным котлом будет иметь также отличия от ГВС в одноэтажном доме. В чем отличия? 
 Во-первых, вся система горячего водоснабжения, равно как и, в одноэтажном доме проходит по 1 уровню. В двухэтажном доме вы должны формировать 2 ветки отопления и 2 ветки ГВС – на первом и на втором этаже. 
 Во-вторых, при использовании двухконтурного котла, особенно газового, неразумно использовать для нагрева воды электрические бойлеры. Это значит, что после узла нагрева вы должны делать точки водоразбора по всему дому, на 1 и 2 этаже, на минимальном расстоянии от котла. И если раньше вы могли разместить 2 бойлера – на первом и втором этаже, то теперь у вас один узел нагрева – в котельной. 
 В-третьих, раз вы используетедля производства ГВС, то вам стоит подумать над тем, чтобы размещать санузлы, кухню на первом этаже поблизости от котельной. А санузел второго этажа – обустроить прямо над котельной, блокируя его, например, с прачечной. 
 Некоторые хозяева прачечную размещают в подвале. Однако удобнее всего, когда прачечная располагается рядом со спальнями – поверьте слову практика. Но про прачечные и ГВС – подробно в другом материале. 
Отопление двухэтажного дома двухконтурным котлом. Почему стоит выбрать двухконтурный котёл
Отопление двухэтажного дома двухконтурным котлом может стать вполне выгодным вариантом, если правильно подобрать оборудование по мощности и прочим техническим параметрам. От одноконтурного котла такой вариант отличается наличием дополнительного теплообменника, который работает на нагрев воды, а не на отопление. Двухконтурный котёл имеет несколько важных преимуществ:
- Максимальная комплектность. По сути, такой котёл представляет собой мини-котельную, и к нему ничего не придётся докупать: современные аппараты уже снабжены расширительным баком нужного объёма, клапанами, арматурой и т. д. Такое устройство только нужно подключить к системе подачи газа и водоснабжения, а также к смонтированному дымоходу.
 - Экономическая выгода. Не придётся постоянно поддерживать высокую температуру воды в бойлере и тратить на это топливо: горячей вода становится именно тогда, когда это нужно.
 - Компактные удобные размеры. Двухконтурный котёл может стать идеальным решением для небольших домиков, ему намного проще найти подходящее место и возможность для подключения. Одноконтурной системе с бойлером желательно выделять особое помещение, оборудованное по всем требованиям пожарной безопасности.
 

Двухконтурный котёл – возможность оборудовать в своём доме независимый надёжный обогрев и при этом обеспечить всей семье необходимый уровень удобств. При этом по стоимости он обойдётся дешевле, чем покупка всего необходимого оборудования по отдельности и профессиональная установка. Это сделает покупку не только надёжной, но и выгодной.
Система отопления двухэтажного дома ленинградка. Описание особенностей системы
Справедливо отмечено, что существует большое количество технологических схем, ориентированных на решение одного единственного вопроса – отопление частного дома.
Встречаются системы однотрубные и двухтрубные, горизонтальные и вертикальные. Одноконтурные и многоконтурные. Каждый вариант предлагает свое плюсы и минусы и ни один не является идеальным.
Система отопления типа ленинградка — одно из самых популярных решений, когда речь идет об обустройстве отопительного контура в частном доме одно или двухэтажного уровня.
Для многоэтажных строений она тоже подойдет, но эффективность ее упадет, так как она сильно зависит от протяжности контура.
Что же такое эта ленинградская система? На самом деле принцип ее действия и схема расположения труб очень проста.
Это одноконтурная однотрубная схема расположения трубопроводов с последовательным подключением радиаторов.
Одноконтурная, означает, что ленинградка подключена только к одному котлу или бойлеру и работает исключительно на обогрев помещений, оперируя циркуляцией теплового носителя, чаще всего воды или антифриза.
Она также однотрубная, то есть состоит из одной трубы, прямой или с ответвлениями (байпасами). Однотрубная схема предполагает движение носителя по четкому направлению.

Схема последовательного подключения
Вода или антифриз выходит из котла, проходит через всю цепочку радиаторов, а затем по той же трубе замыкается на котле либо смесительном узле. Особенность схемы в том, что радиаторы в ней стараются разместить по всему контуру, чтобы расстояние между последним радиатором и котлом было минимальным.
Система устроена так, что носитель со временем остывает, то есть на крайних участках температура может быть существенно ниже. Эту проблему ленинградка решает достаточно изящно, за счет оперирования принудительной циркуляцией, температурными датчиками и байпасами.
Разводка системы ленинградка также оставляет вам некоторое поле для маневра. Можно выбрать любой вариант.
Что же до конкретных составляющих системы отопления, то ленинградка лучше всего работает с пластиковыми или металлопластиковыми трубами, а также принудительной циркуляцией потока, формируемой с помощью насоса.
1.1 Плюсы и минусы
Ленинградка, как и любая другая отопительная схема, не является универсальным кандидатом. Она подходит для решения одних задач и не подходит для других,
Для лучшего понимания приоритетных направлений, следует понять, какие плюсы и минусы она в себе несет. Этим и займемся.
- Простота и лаконичность;
 - Возможность осуществить монтаж своими руками;
 - Разводка труб выбирается по вашему вкусу и желанию;
 - Экономность;
 - Высокий КПД при низких затратах;
 - Практически идеально подходит для отопления одноэтажного или двухэтажного дома;
 - Возможность изолировать каждый узел, делая схему отопления полностью автономной и независимой.
 

Радиатор в ленинградке с входными кранами и терморегуляторами
- Температура носителя снижается пропорционально длине магистрали;
 - Если выбрана нижняя разводка и длина труб больше 50 метров, то необходимо заняться принудительной циркуляцией с помощью насоса, в противном случае есть риск закупоривания системы и остановки движения носителя;
 - Полностью нафаршированный трубопровод с байпасами, изолированными радиаторами и вентилями температурного контроля все же обойдется вам в кругленькую сумму.
 
Минусов у такой системы намного меньше, но они все же есть. Также отметим, что ленинградка не лучшим образом функционирует, если необходимо обеспечить отопление огромных зданий с большой этажностью. Даже там ее можно приспособить, но результаты будут не такими впечатляющими.
Тем не менее, в доме средних размеров эта схема показывает себя как нельзя лучше, затыкая за пояс большую часть конкурентных решений.