Тупиковая система отопления частного дома. Устройство тупиковой разводки
- Тупиковая система отопления частного дома. Устройство тупиковой разводки
- Попутная система отопления частного дома. Принцип действия попутной системы
- Двухтрубная тупиковая система отопления с нижней разводкой. Виды
- Однотрубная тупиковая система отопления. Как работает тупиковая отопительная система
- Тупиковая система отопления на два плеча. Виды отопительных систем
- Попутная система отопления. Всегда ли нужна попутка
- Попутная и тупиковая система отопления. . Системы отопления тупиковые и с попутным движением воды
Тупиковая система отопления частного дома. Устройство тупиковой разводки
Главная особенность, отличающая тупиковую систему от других, в том, что длина подающего и обратного трубопровода в ней неодинакова. Её использование подходит для тех случаев, когда необходимо:

- Разделить один тупик на несколько ответвлений при сложной конфигурации помещения.
- Установить на одно плечо повышенное число батарей, обеспечив глубокую балансировку. При такой балансировке гидравлическое сопротивление первых радиаторов и коротких плечей увеличено.
- Скрыть трубы под полом или под обшивкой потолка (для верхних этажей).

- Разделить один тупик на несколько ответвлений при сложной конфигурации помещения.
- Установить на одно плечо повышенное число батарей, обеспечив глубокую балансировку. При такой балансировке гидравлическое сопротивление первых радиаторов и коротких плечей увеличено.
- Скрыть трубы под полом или под обшивкой потолка (для верхних этажей).
Такой способ организации отопления подразумевает наличие двух трубопроводных контуров, благодаря чему теплоноситель циркулирует в противоположных направлениях. Нагретая в котле вода уходит в радиаторы по подающей трубе. Отдав тепловую энергию, остывшая вода движется по обратной магистрали навстречу горячему потоку и попадает обратно в котёл, где происходит её повторное нагревание.
Радиаторы могут присоединяться к отопительному контуру по-разному. В зависимости от способа установки двухтрубная тупиковая система отопления бывает:

- Вертикальной. Батареи крепятся к стояку. Циркуляционные кольца, расположенные ближе к нему, имеют меньший размер, чем остальные. По этой причине движение теплоносителя происходит неравномерно. Воздух в помещениях, находящихся на удалении от источника тепла, прогревается хуже и дольше. Вертикальную схему чаще всего применяют для обогрева многоэтажных зданий.
- Горизонтальной. Состоит из трубопроводов равного диаметра, обеспечивает равномерный нагрев всей площади. Использование армированных полимерных труб с надвижными гильзами позволяет скрыть контур в стяжке пола, не нарушая дизайна помещений. Важным преимуществом горизонтального способа установки является возможность подключения к общему контуру полотенцесушителей и дополнительных магистралей для обогрева пола.
Если в тупиковой системе предусмотрены второстепенные циркуляционные кольца, она обязательно должна быть укомплектована насосом и смесительным контуром с датчиком температуры. Без этого оборудования дополнительная магистраль будет оказывать влияние на систему отопления в целом. Естественная циркуляция может быть использована лишь в помещениях с небольшой площадью.
Попутная система отопления частного дома. Принцип действия попутной системы
Система отопления с попутным движением теплоносителя, которую также называют петля Тихельмана, получает сегодня все более широкое применение.
Особенно высокую эффективность данная схема демонстрирует при монтаже протяженных систем отопительных трубопроводов, например, если необходимо обеспечить эффективный обогрев большого двухэтажного дома.
 Петля Тихельмана принципиально отличается от классической тупиковой (встречной) схемы. При встречной системе трубопровода подающая магистраль начинается от котла и заканчивается последним радиатором, а «обратка» начинается от последнего радиатора и заканчивается котлом. При этом теплоноситель в магистралях движется в противоположных направлениях. В системе с попутным движением теплоносителя подача проходит таким же образом, а вот обратная магистраль начинается с первого радиатора, после чего доходит до последнего радиатора и возвращается к котлу. Таким образом, по подающей и обратной магистралям теплоноситель движется в одном направлении.
Петля Тихельмана принципиально отличается от классической тупиковой (встречной) схемы. При встречной системе трубопровода подающая магистраль начинается от котла и заканчивается последним радиатором, а «обратка» начинается от последнего радиатора и заканчивается котлом. При этом теплоноситель в магистралях движется в противоположных направлениях. В системе с попутным движением теплоносителя подача проходит таким же образом, а вот обратная магистраль начинается с первого радиатора, после чего доходит до последнего радиатора и возвращается к котлу. Таким образом, по подающей и обратной магистралям теплоноситель движется в одном направлении. 
Создание такой схемы объясняется необходимостью балансировки сети отопления. Если в одном из циркуляционных колец системы потери давления будут меньше, чем в остальных, то поток теплоносителя будет стремиться именно в эту ветку. Соответственно, напор на других радиаторах будет меньше, что приведет к снижению эффективности отопления в соответствующих помещениях. Балансировка предусматривает создание условий, при которых потери давления во всех ветках минимальны. В тупиковых системах для этого приходится устанавливать игольчатые вентили или специальные термостатические клапаны.
При использовании попутной системы задача балансировки решается намного проще.
Если система укомплектована радиаторами с одинаковым числом секций и одинакового типоразмера, то она является автоматически сбалансированной без необходимости применения дополнительной арматуры.
Если же используются разные радиаторы, то ставить арматуру придется. Однако и в этом случае сбалансировать попутную систему будет намного проще, чем тупиковую. Особенно это актуально при значительной протяженности трубопроводов.
Двухтрубная тупиковая система отопления с нижней разводкой. Виды
Все разновидности систем отопления подразделяются на закрытые и открытые. В закрытых ставится расширительный мембранный бачок, который дает возможность выполнять свои функции системе при высоком давлении. Подобная система позволяет употреблять в роли теплоносителя не только воду, но и водные растворы, основой которых является этиленгликоль, которые обладают пониженной температурой замерзания (до -40о градусов) и именуются антифризами.
Для нормального функционирования оснащения в отопительных системах должны применяться специализированные составы , созданные для таких целей, а не общего назначения, и более того, не предназначенные для автомобилей. То же относится и к применяемым присадкам и добавкам. Особенно строго необходимо придерживаться данного принципа при применении дорогих современных котлов, оснащенных автоматическим управлением – ремонт при любых неисправностях в этом случае не будет гарантийным, даже если выход из строя и не связан непосредственно с теплоносителем.
В конструкции открытого типа в верхней точке устраивается открытый расширительный бак. К нему, как правило, подключают патрубок для удаления из системы воздуха, а также устраивают трубопровод для слива избытков теплоносителя в системе. Временами из расширительного бака могут брать подогретую воду на домашние нужды, но в такой ситуации надо изготовить автоматическое пополнение системы, а также не применять присадки и добавки.
Однотрубная тупиковая система отопления. Как работает тупиковая отопительная система
Тупиковая схема – это двухтрубное устройство отопления помещений, в котором, как видно из рисунка выше, горячий теплоноситель подается к каждому радиатору по одной трубе (подача), а выходит из радиаторов и поступает к котлу по другой трубе (обратка). Причем в этой схеме движение теплоносителя по подающей и обратной трубах происходит в противоположном направлении, тогда как в других (не однотрубных) схемах жидкость движется в одном направлении. Это – очень распространенный вариант подключения нагревательных приборов, и не только радиаторов – это могут быть чугунные или биметаллические батареи, или самодельные регистры.
Хотя и однотрубное отопление можно реализовать по тупиковой схеме, но это решение непопулярно в силу своей невысокой эффективности отдачи тепла и сложности исполнения. Реализация тупиковой однотрубной схемы показана ниже – если дом рассчитан на 2 или три этажа, то, кроме стандартной группы безопасности, придется делать разводку стояков, и на каждый радиатор устанавливать воздухоотводчик или кран Маевского. Это – схема дорогостоящая, поэтому ее нечасто принимают к исполнению.
Однотрубная тупиковая схема
Косвенное преимущество тупиковой схемы еще и в том, что ее можно применять как для отопления с принудительной циркуляцией теплоносителя, так и для решения с гравитационным перемещением жидкости в трубах. Для энергонезависимого отопления частного дома система с естественной циркуляцией приобретает все большую популярность, поэтому не стоит забывать и о тупиковой схеме с верхней разводкой труб в этом случае.
В любом случае, при одноконтурной или двухконтурной схеме, для тупикового варианта очевидно следующее: чем больше подключено радиаторов к трубе, тем медленнее будут прогреваться все последующие нагревательные приборы. Поэтому желательно разделить всю систему на несколько ответвлений таким образом, чтобы в каждой ветке было не больше, чем 5-6 радиаторов. Это решение актуально как для естественной, так и для принудительной схемы перемещения теплоносителя.
Пример тупиковой схемы с естественной циркуляцией для дома в два этажа
На практике преимущество тупиковой схемы очевидно: это простые расчеты, несложный уровень монтажа, минимальное количество запорной арматуры и фитингов, дешевизна всего проекта. Если сравнивать с такими популярными решениями, как двухтрубная система с попутным движением жидкости и с лучевой схемой (с коллектором), то в плане соблюдения законов гидравлики они явно лучше тупиковой – быстрее движется теплоноситель, нет встречного движения, радиаторы прогреваются равномерно и с одинаковой скоростью. Но часто именно экономичность тупикового варианта побеждает, особенно для отопления дома с небольшой общей отапливаемой площадью.
Горизонтальная схема с тупиковой разводкой имеет разновидность, где применяется центральная магистраль. Такую схему можно реализовать как скрытый в пол или в стену трубопровод, что нравится всем без исключения домовладельцам, так как скрытый трубопровод не требует переделки дизайна, перепланировки или изменения интерьера помещений.
При монтаже скрытого трубопровода, например, при заделке труб в бетонную стяжку пола или в штробы в стенах, трубы следует применять не стальные, а металлопластиковые без соединений или полимерные с соединением неподвижной гильзой или сваркой, чтобы не допустить возможности протечки. Единственная проблема при прокладке скрытого трубопровода – его правильный и красивый вывод из стены или из-под пола. Также следует избегать любых пересечений труб в скрытом варианте монтажа. Чтобы избежать пересечений, используют крестовину. При присоединении трубы к радиатору при помощи крестовины можно без выступа за плоскость монтажа обогнуть трубы центральной магистрали.
Подключение дополнительных контуров в тупиковой системе: полотенцесушитель
Также реализация тупиковой системы с центральной магистралью открывает возможности по подключению к отоплению и других схем: системы «теплый пол» или полотенцесушителей. Подключаются такие узлы пир помощи специального смесительного модуля, к состав которого входит циркуляционный насос, смесительные краны и температурные датчики. Модуль смешения делает работу подключаемых модулей независимой от главной схемы отопления, причем любое количество новых подключаемых контуров не будет влиять на работу основного контура.
Тупиковая система отопления на два плеча. Виды отопительных систем
Отопление в доме может быть организовано разными методами. К примеру, лучевой (или коллекторный) способ представляет собой систему, в которой каждый радиатор связан с распределительным коллектором посредством подающей и обратной трубы. В некоторых случаях радиаторы, располагающиеся в одном помещении, соединяются попарно. Такая независимая схема позволяет легко отключать одну батарею без остановки всей магистрали. Отключение может понадобиться при поломке какого-либо элемента или для экономии.
При монтаже лучевой системы применяются трубы одинакового диаметра и приблизительно равные по длине. Таким образом обеспечивается равномерный перепад давления и каждый радиатор расходует одинаковое количество теплоносителя. Соединительные трубы часто скрывают в полу, стенах или за натяжным потолком, оставляя на виду только батареи. Благодаря этому отопительный контур выглядит более эстетично.
Попутная разводка реализуется иначе. Подающий трубопровод в ней проходит последовательно от котла до последнего радиатора, а обратный соединяет батареи от первой до последней и возвращается к котлу. Теплоноситель в обеих магистралях транспортируется в одном направлении. Эффективность такой схемы отопления зависит от правильной балансировки давления. Если в одном циркуляционном кольце оно будет больше, чем в других, теплоноситель потечёт именно в него, а напор в остальных батареях существенно снизится.
Ещё одна система — однотрубная — является наиболее простой в исполнении, но далеко не самой эффективной. Она лишена труб обратной подачи воды, батареи в ней соединены последовательно. Из-за этого нет возможности регулировать нагрев отдельных радиаторов.
Для функционирования такой разводки необходимо более высокое давление. Её особенностью является вертикальный розлив, который осуществляется с помощью установленного на чердаке расширительного бака. Установка однотрубного отопления в многоэтажных домах нерентабельна, поскольку нагрев батарей от верхнего этажа к нижнему обеспечивается неравномерно.
Наиболее распространённой является тупиковая схема отопления, простая и недорогая в установке, а также отличающаяся долгой и стабильной работой. При создании отопления в домах в 90% случаев выбирают именно её.
Попутная система отопления. Всегда ли нужна попутка
Попутная система отопления подороже по сравнению с тупиковой, процентов на 20. Денежный перерасход связан с применением труб большого диаметра, и в особенности их фитингов – тройников на ответвлениях радиаторов и переходников на меньший диаметр, которым подключены радиаторы.
В тупиковой же схеме диаметры труб будут меньшими, так как вся мощность разделяется на 2 и более плечей, по выходу из котла.
Особенно громоздкой становится попутка, когда нет возможности провести трубы по кольцу по периметру дома – от выхода котла к его входу. Тогда обратку приходится возвращать тем же путем, где и уложена подача.
Получается сложная петля уже из трех магистральных трубопроводов большой толщины. Этого нужно избегать и преобразовать попутку в более простую тупиковую схему по конкретным обстоятельствам.
Обычный же переход на тупиковую систему происходит при снижении количества радиаторов до 10 и менее. Тогда появляется возможность сбалансировать радиаторы в тупиках и сами плечи без особого наращивания мощности насоса.

При наличии 3, 4 и даже 5 радиаторов в плече нет проблемы с балансировкой всех радиаторов и плечей в тупиковой схеме отопления.
А если те же десять радиаторов приходится делить по плечам как 6 и 4, — то лучше делать самонастраивающуюся попутку, так как при 6 отопительных приборах и неравнозначных тупиках придется излишне увеличивать мощность насоса и слишком «зажимать» ближе расположенные к нему батареи.
Попутная и тупиковая система отопления. . Системы отопления тупиковые и с попутным движением воды
В зависимости от направления движения теплоносителя в магистральных трубопроводах системы отопления могут быть тупиковыми и с попутным движением воды.
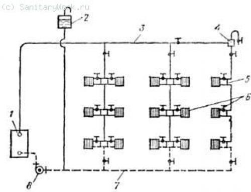
В тупиковых системах отопления (рис. 96) движение горячей воды в подающей магистрали 3 противоположно движению остывшей воды в обратной магистрали 7. В тупиковой схеме длина циркуляционных колец не одинакова; чем дальше от котла расположен нагревательный прибор , тем больше протяженность циркуляционного кольца, и, наоборот, чем ближе отопительный прибор расположен к главному стояку, тем меньше протяженность циркуляционного кольца.
В тупиковых системах добиться одинаковых сопротивлений в коротких и более отдаленных циркуляционных кольцах трудно, поэтому отопительные приборы, близко расположенные к главному стояку, будут прогреваться значительно лучше, чем отопительные приборы, удаленные от главного стояка. Кроме того, в некоторых случаях, когда ближайшие к главному стояку циркуляционные кольца имеют небольшую тепловую нагрузку, увязка циркуляционных колец становится еще более сложной.

Рис. 96. Схема однотрубной тупиковой системы отопления :
1 — котел, 2 — расширительный сосуд, 3 — подающая магистраль, 4 — воздухосборник, 5 —перемычка, 6 — нагревательные приборы, 7— обратный трубопровод, 8 — насос
Для того чтобы расширить применение тупиковых систем, как наиболее экономичных, сокращают протяженность магистралей и вместо одной системы большой протяженности делают несколько. В таких случаях обеспечивается лучшая горизонтальная регулировка системы.
Рис. 97. Схема однотрубной системы отопления с попутным движением воды
В системах отопления с попутным движением воды (рис. 97) все циркуляционные кольца имеют одинаковую протяженность, следовательно, стояки и нагревательные приборы работают в одинаковых условиях. В таких системах независимо от расположения нагревательного прибора по горизонтали в отношении главного стояка прогрев их будет одинаковый. Однако системы отопления с попутным движением воды применяют ограниченно, так как при их монтаже требуется большее количество труб, чем при монтаже тупиковых систем. Поэтому такие системы используют в тех случаях, когда невозможна увязка циркуляционных колец между собой в пределах, допускаемых СНиП.