Объем воды в радиаторе отопления алюминиевом. Расчет объема алюминиевого радиатора
- Объем воды в радиаторе отопления алюминиевом. Расчет объема алюминиевого радиатора
- Объем воды в системе отопления. Объем системы отопления
- Объем теплоносителя в алюминиевом радиаторе. Сколько воды в одной секции алюминиевого радиатора
- Сколько литров в батарее. Сколько воды в чугунной батарее
- Как определить количество воды в системе отопления. Расчет объема теплоносителя в трубах и котле
Объем воды в радиаторе отопления алюминиевом. Расчет объема алюминиевого радиатора
Определить вместительность батареи отопления можно двумя способами:
- При помощи расчетов. Для этого потребуется таблица, в которой указано, сколько воды вмещается в алюминиевом радиаторе отопления. Подобная информация должна присутствовать в документах изделия или иметься у продавца. В ней указывается не только межосевое расстояние, но и масса, и объем устройства. Например, алюминиевому радиатору с расстоянием 350 мм между верхним и нижним коллектором для одной секции потребуется 0.19 л воды.
- Самым универсальным является измерение объема радиатора при помощи наполнения его водой. Для этого потребуется:
- Когда жидкость начнет выливаться из верхнего отверстия, на него ставится заглушка.
- Набирать воду в наливное отверстие до тех пор, пока радиатор полностью не заполниться.
- Подсчитать, сколько литров жидкости было залито в батарею.
Поставить заглушки на нижние отверстия и начать набирать воду.Это, хотя и весьма трудоемкий способ, но самый надежный и точный, так как производители могут завышать или занижать параметры своих изделий в технической документации.
Подбирая тип радиатора, следует обращать внимание на разницу в параметрах отечественных и зарубежных производителей. Некоторые показатели могут выглядеть весьма привлекательно, но не подходить для централизованной советской отопительной системы. Так же нужно заранее продумать, какой теплоноситель в сети будет использоваться, и произвести расчеты с указанием его вязкости.
Подводя итоги, можно сказать, что объем алюминиевого радиатора – это важный параметр, который нужно учитывать, чтобы в дальнейшем система работала по-настоящему эффективно.
Объем воды в системе отопления. Объем системы отопления
Расчет объема воды в системе отопления нужно для того, чтобы знать какой максимальный объем может быть у системы отопления при выбранной мощности котла. В противном случае это может привести к плохому прогреву помещения, неэффективной, неэкономичной работе. Что в свою очередь приведет к дополнительным финансовым расходам.
Калькулятор расчета объема системы отопления
Cуммарная мощность радиаторов
кВт
Объем воды в котельной, коллекторах и арматуре
л.
Объем системы отопления
л.
Формулы:
Формула для расчета объема жидкости в трубе:
S (площадь сечения трубы) * L (длина трубы) = V (объем)
Рассчитывается объем воды в системе отопления можно также как сумма ее составляющих:
V (система отопления)=V(радиаторов)+V(труб)+V(котла)+V(расширительного бака)
Пример расчета объема воды в системе отопления:
Приблизительный расчет делается исходя из соотношения 15 литр воды на 1 кВт мощности котла.
Например , мощность котла 4 кВт, тогда объем системы равен 4 кВт*15 литров = 60 литров.
Объем теплоносителя в алюминиевом радиаторе. Сколько воды в одной секции алюминиевого радиатора
Несложный расчет количества воды в одной секции алюминиевого радиатора позволяет понять, какой объем теплоносителя должен прогревать котел. Эти сведения помогут владельцам загородных домов рассчитать объем антифриза для заполнения системы отопления.

Как посчитать, сколько воды в радиаторе из алюминия
Сведения о емкости указаны в спецификациях на устройства, которые можно найти в паспортах к батареям или в интернете. Если же документов под рукой нет, а сведения нужны, то можно опираться на таблицу, где указана наполняемость стандартных секций в зависимости от их высоты.
Высота, мм | Объем, л |
|---|---|
350 | 0,20–0,30 |
500 | 0,35–0,45 |
600 | 0,40–0,50 |
900 | 0,60–0,80 |
1200 | 0,80–1,00 |
Вместимость нестандартных алюминиевых батарей рассчитывают по формуле:
V (л) = h (м) х 0,8
Полученные результаты имеют погрешность примерно 20%.
Пример 1:
Надо рассчитать вместимость десяти 500–миллиметровых секций.
10 х 0,45 мл (данные таблицы) = 4,5 литров.
Пример 2
Требуется определить, сколько требуется теплоносителя для 10 нестандартных 850– мм секций.
0,85 х 0,8 = 0,68 л – одна.
0,68 х 10 = 6,8 л ± 20% – всего
Несложные расчеты помогут узнать объем любого радиатора, в зависимости от его размеров. Формулы подходят и для биметаллических моделей , но для устаревших чугунных их применять нельзя.
Сколько литров в батарее. Сколько воды в чугунной батарее
Расчет объема воды в одной секции алюминиевого радиатора
В наше время замена старых чугунных батарей на новые модели стала не данью моде, а жизненной необходимостью. Опасение за безопасность отопительной системы и попытки снизить стоимость коммунальных услуг привели к тому, что все больше потребителей останавливают свой выбор на алюминиевых радиаторах, которые отличаются от других видов обогревателей, как техническими характеристиками, так и ценой. Одним из важных параметров является объем радиатора отопления.
Параметры алюминиевых радиаторов
Технические характеристики батарей отопления – это первое, на что обращает внимание потребитель перед покупкой. Самыми важными показателями действительно качественного изделия являются:
- Уровень теплоотдачи одной секции, так как от него зависит:
- Во-первых, сколько элементов потребуется для обогрева одной комнаты.
- Во-вторых, насколько тепло будет в комнате благодаря радиатору.
- В-третьих, каким станет микроклимат в помещении.
- Устойчивость к гидроударам и рабочее давление алюминиевого радиатора .
- Стоимость готового изделия.
Объем одной секции алюминиевого радиатора указывает на его мощность и во многом зависит от того, каким способом он был изготовлен.
Если батарея была сделана методом литья, то такой цельносварный секционный элемент обладает высокой прочностью и устойчивостью к перепадам давления. Подобное изделие стоит несколько дороже, и по цене можно понять, произведено оно на отечественных мощностях или импортное. Как правило, вторые дороже, но и процент брака у них крайне низкий.
Если алюминиевая батарея была изготовлена методом прессования, то ее детали соединялись при помощи клея, что делает ее уязвимой. Такому радиатору нестрашна коррозия, но повышенное давление может вывести его из строя.
Емкость одной секции алюминиевого радиатора, не зависимо от того каким методом он был произведен, практически одинаковая, но то, что литая модель прочнее и долговечнее, быстрее нагревается и ее можно регулировать по размеру, ставит их на первое место по продажам.
Узнайте полезную информацию об алюминиевых батареях на нашем сайте:
Виды теплоносителей
Как правило, вопрос о том, какой теплоноситель используется в централизованной системе отопления, не задается, так как там всегда по теплопроводу течет вода. Другое дело автономный обогрев, где можно выбрать оптимальный вариант для конкретного дома с учетом климата региона, где он построен.
- Антифриз для отопительных систем уже много лет применяется для обогрева загородных домов и прекрасно проявил себя. Его лучшие качества (способность не замерзать при температуре до -70 градусов) особенно хороши в зданиях, где нет постоянного проживания людей. Дачники могут закрыть дом, приезжать несколько раз месяц, чтобы прогревать его, и не переживать, что с их отопительной системой что-то случится.
- Спиртсодержащие теплоносители имеют сходные с антифризом свойства, только способны не замерзать при -30 градусах. Их использование не желательно в жилых домах, так как подобные жидкости содержат в составе этиловый спирт, который не только легко воспламеняется, но и опасен для человека.
- Вода в автономных системах обогрева хороша исключительно там, где алюминиевые радиаторы находятся под присмотром, то есть люди постоянно проживают в квартире или частном доме. У нее есть один показатель, который не «нравится» алюминию – способность вызывать у металлов коррозию . Если производится слив носителя из системы на летний период, то к началу нового сезона батареи могут дать течь из-за коррозии, «съевшей» металл. Жильцам следует оставлять теплоноситель в системе, чтобы этого не произошло.
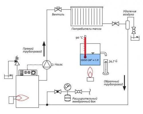
Как определить количество воды в системе отопления. Расчет объема теплоносителя в трубах и котле
Компоненты отопительной системы
Отправной точкой для вычисления технических характеристик компонентов является расчет объем воды в системе отопления. Фактически она является суммой вместимости всех элементов, начиная от теплообменника котла и заканчивая батареями.
Как рассчитать объем системы отопления самостоятельно, без привлечения специалистов или использования специальных программ? Для этого понадобиться схема расположения компонентов и их габаритные характеристики. Общая вместимость системы будет определяться именно этими параметрами.
Объём воды в трубопроводе
Значительная часть воды располагается в трубопроводах. Они занимают большую часть в схеме теплоснабжения. Как рассчитать объем теплоносителя в системе отопления, и какие характеристики труб нужно знать для этого? Важнейшей из них является диаметр магистрали. Именно он определит вместимость воды в трубах. Для вычисления достаточно взять данные из таблицы.
В отопительной системе могут быть использованы трубы различных диаметров. В особенности это касается коллекторных схем. Поэтому объем воды в системе отопления вычисляется по следующей формуле:
Vобщ=Vтр1*Lтр1+ Vтр2*Lтр2+ Vтр2*Lтр2…
Где Vобщ – общая вместимость воды в трубопроводах, л, Vтр – объем теплоносителя в 1 м.п. трубы определенного диаметра, Lтр – общая протяженность магистрали с заданным сечением.
В сумме эти данные позволят рассчитать большую часть объема системы отопления. Но помимо труб есть и другие компоненты теплоснабжения.
У пластиковых труб диаметр вычисляется по размерам внешних стенок, а у металлических – по внутренним. Это может существенно для тепловых систем с большой протяженностью.
Расчет объема котла отопления
Теплообменник котла отопления
Корректный объем котла отопления можно узнать только из данных технического паспорта. Каждая модель этого отопительного прибора имеет свои уникальные характеристики, которые зачастую не повторяются.
Напольный котел может иметь большие габариты. В особенности это касается твердотопливных моделей. По факту теплоноситель занимает не весь объем котла отопления, а лишь небольшую его часть. Вся жидкость располагается в теплообменнике – конструкции, необходимой для передачи тепловой энергии от зоны сгорания топлива воде.
Если инструкция от отопительного оборудования была утеряна – для просчетов может быть взята ориентировочная вместимость теплообменника. Она зависит от мощности и модели котла:
- Напольные модели могут вмещать от 10 до 25 литров воды. В среднем твердотопливный котел мощностью 24 кВт содержит в теплообменнике около 20 л. теплоносителя;
- Настенные газовые менее вместительны – от 3 до 7 л.
Учитывая параметры для расчета объема теплоносителя в системе отопления вместимостью теплообменника котла можно пренебречь. Этот показатель варьируется от 1% до 3% от общего объема теплоснабжения частного дома.
Без периодической очистки отопления уменьшается сечение труб и проходной диаметр батарей. Это сказывается на фактической вместимости отопительной системы.