Схема отопления 2 этажного дома с газовым котлом. Из чего состоит система отопления двухэтажного дома
- Схема отопления 2 этажного дома с газовым котлом. Из чего состоит система отопления двухэтажного дома
- Как сделать разводку отопления на 2 этажа. Верхняя и нижняя разводка
- Двухтрубная система отопления двухэтажного дома. Однотрубная система отопления
- Отопление двухэтажного дома двухконтурным котлом. Схема отопления двухэтажного дома с двухконтурным котлом
- Отопление 2-этажного дома без насоса. Виды конструкций
- Отопление 2 этажного дома с теплыми полами. Схема отопления 2-х этажного дома 110м2 | металлопластик | теплый пол, радиаторы
Схема отопления 2 этажного дома с газовым котлом. Из чего состоит система отопления двухэтажного дома
Детальный список элементов, из которых собирается отопление двухэтажного частного дома, определяется его выбранным типом и может изменяться, но обязательно включают в себя:
Отопительный котел
По сути, это теплогенератор, преобразующий различные энергоресурсы в тепло, которое нагревает воду в системе отопления двухэтажного дома.
Котлы принято подразделять по используемому топливу на следующие группы:
- Газовые, работающие на природном газе, поступающем централизованно
- Газовые, рассчитанные на потребление сжиженного газа
- Пеллетные или твердотопливные
- Дизельные
- Электрические
- Комбинированные
Существуют различные варианты обвязки котла отопления для двухэтажного коттеджа.
Трубы (классификация по материалу)
Для разводки отопления двухэтажного дома используют трубы, произведенные из:
- Полиэтилена сшитого (РЕХ)
- Полипропилена
- Стали (обычной или оцинкованной)
- Металлопластика
- Меди
Отопительные приборы
Для отопления дома с принудительной циркуляцией, применяют отопительные приборы, подразделяемые на две группы. В первую сведены радиаторы, во вторую, конвекторы.
- Радиаторы
Могут быть стальными панельными, либо секционными. Последние делятся на:
- Чугунные радиаторы. Достоинства: высокая антикоррозионная стойкость, износостойкость, невысокая требовательность к качеству теплоносителя, устойчивость к значительным температурам
- Алюминиевые. Плюсы: высочайшая теплоотдача, стойкость к окислению. Минусы: не рекомендуется применять в магистралях, собранных из медных труб. Подобные изделия несовместимы с отдельными типами теплоносителя
- Биметаллические. Усовершенствованная версия алюминиевых. Внутренняя часть биметаллических радиаторов выполнена из стали, а внешняя панель из алюминия. Подобное решение позволило улучшить эксплуатационные параметры (в частности, повысить рабочее давление) и сделать изделия пригодными для использования с жидкими теплоносителями любого типа
- Конвекторы
Это комбинированный теплообменник из медных труб, закрытый кожухом, решающим задачи декора и защиты от механических повреждений.
Существующие модели конвекторов по месту установки делятся на:
- Напольные
- Настенные
- Внутрипольные
Для отопления двухэтажного дома применяются все рассмотренные модели.
Как сделать разводку отопления на 2 этажа. Верхняя и нижняя разводка
В доме, где есть и подвальное помещение, и чердак можно использовать одну из двух разновидностей разводки: верхнюю или нижнюю. Разумеется, что практически в любом 2х- этажном доме и чердак, и подвал будут иметься.
Особенности разводок, в зависимости от их типа:
- При верхней подача теплоносителя будет осуществляться с чердака, попадая в распределитель, а затем спускаясь по трубам;
- При нижней теплоноситель, соответственно, будет подаваться из подвального помещения, протекая вниз.
Конечно, кажется логичным, что проще всего использовать именно верхнюю разводку, ведь в этом случае и насос будет наименьшей мощности, и сам теплоноситель циркулировать гораздо быстрее.
Схема двухтрубной системы отопления с нижней разводкой
Однако это смотря с какой стороны посмотреть: верхняя разводка будет неактуальна, например, если в доме установлена мансарда (жить в «объятиях» отопительного котла — это то ещё удовольствие, надо отметить), да и если случится протечка, то зальёт полностью весь дом. Стоит ли так рисковать?
Сразу стоит сказать, что под теплоносителем не всегда подразумевается вода: сейчас многие владельцы частных домов используют и антифриз (на выбор нижней или верхней разводки это никак не повлияет).
Но в любом случае есть 2 правила, которые применяются независимо от выбранного типа:
- Расширительный бак всегда и при любых условиях должен быть установлен именно в самой верхней точке всей отопительной системы;
- Котёл располагается всегда снизу.
Двухтрубная система отопления двухэтажного дома. Однотрубная система отопления
Современные строители придерживаются однотрубной схемы разводки отопления для сооружения с двумя этажами. Такая схема подразумевает установку абсолютно всех излучателей тепла в помещении. В итоге образуется длинная цепочка из соединенных труб. По ним проходит поток горячей воды, которая нагревает все радиаторы. Данная схема поспособствует равномерному нагреванию воздуха во всем помещении.
В случае если площадь дома очень большая, то можно установить двухтрубную схему эффективного водяного отопления. Не смотря на то, что такая схема очень дорогостоящая, эффективность нагревания воздуха будет максимальной. Для этого следует подключить подводку ко всем радиаторам в индивидуальном порядке. В данном случае работает коллекторная схема отопления двухэтажного дома.
Коллекторная схема отопления двухэтажного дома:

Если применить именно эту схему отопления, то можно намного эффективнее нагреть все помещение, а также лучше контролировать температуру, даже в очень большом по размеру двухэтажном доме.
Не менее популярна коллекторная схема, реализованная для отопления двухэтажного строения. Основной особенностью является ее низкая цена и высокая эффективность. Такая схема позволяет проделывать скрытую укладку труб, что существенно повысит эстетичность помещения. Провести установку коллекторной схемы отопления можно самостоятельно, при этом, не имея нужных знаний и высокой квалификации.
Профессиональные строители советуют объединять несколько схем отопления, чтобы добиться нужного результата.
Однотрубная система отопления двухэтажного дома:
Двухтрубная система отопления двухэтажного дома:
Схема отопления современного городского 2-этажного дома существенно отличается от схемы отопления городской многоэтажки и одноэтажного сооружения.
Во-первых, система отопления индивидуального двухэтажного дома должна быть очень проста в монтаже, так как не всегда удается нанять высококвалифицированных ремонтников, чтобы они грамотно спроектировали работу. Также отличие системы отопления частного двухэтажного дома является в том, что ее можно легко установить самостоятельно, чего не сделаешь в многоэтажном или одноэтажном сооружении.
Для частного дома предусмотрены более надежные системы отопления, с использованием высококачественного материала. Современные строители отдают предпочтение двухтрубным системам, которые очень надежные и экономичные в процессе эксплуатации
Это очень важно требование при установке системы отопления в двухэтажном доме
Еще одним отличием является то, что в двухэтажном доме не требуется установка дополнительного насоса, в отличие от городской многоэтажки, где нужно больше водного напора для более эффективной поставки воды в квартиры. Как известно, в квартирах многоэтажки требуется установка дополнительного котла, для того, чтобы лучше контролировать температуру в помещении.
Однотрубная схема отопления двухэтажного дома с принудительной циркуляцией:

При монтаже системы отопления в сооружение с двумя этажами, не обойтись без принудительной циркуляции всего помещении, в противном случае упадет эффективность обогревания, а это существенные потери денежных средств. Также могут случаться перебои с электропитанием и отопительными приборами. Из-за того, что напор воды очень большой, специалисты советуют приобрести регулятор мощности водного потока, чтобы не вывести из строя трубы.
Для двухэтажного дома лучше всего приобрести конденсационный котел. Это позволит извлечь максимум тепла, за счет того, что происходит лучшая конденсация при сгорании продуктов. Для многоэтажного дома, соответственно, специалисты рекомендуют покупать твердотопливные котлы, так как в них топливо сгорает при ограниченных запасах воздуха, что часто бывает в квартирах на последних этажах.
Перед тем, как делать выбор котла для двухэтажного сооружения, следует определить общую площадь всего жилья, чтобы подобрать наиболее подходящий по мощности конденсационный котел.
Специалисты не советуют самостоятельно устанавливать данное оборудование, так как малейшие ошибки могут повлечь за собой большие проблемы с давлением в системе отопления частного двухэтажного дома.
Лучше всего доверить такую работу высококвалифицированным специалистам — котловикам, которые имеют большой опыт в установке котлов в именно двухэтажный дом.
Отопление двухэтажного дома двухконтурным котлом. Схема отопления двухэтажного дома с двухконтурным котлом
Обычная схема отопления двухэтажного дома с двухконтурным котлом ничем не отличается от такой же схемы с одноконтурным теплогенератором, если дело касается только обогрева помещений. Что же касается ГВС, то схема отопления двухэтажного дома с двухконтурным котлом имеет свои особенности.
В первую очередь, это добавление к обвязке теплогенератора в виде подводящего и отводящего трубопровода ГВС. Подводится холодная вода, а отводится, соответственно, горячая. При этом схема отопления двухэтажного дома с двухконтурным котлом будет иметь также отличия от ГВС в одноэтажном доме. В чем отличия?
Во-первых, вся система горячего водоснабжения, равно как и, в одноэтажном доме проходит по 1 уровню. В двухэтажном доме вы должны формировать 2 ветки отопления и 2 ветки ГВС – на первом и на втором этаже.
Во-вторых, при использовании двухконтурного котла, особенно газового, неразумно использовать для нагрева воды электрические бойлеры. Это значит, что после узла нагрева вы должны делать точки водоразбора по всему дому, на 1 и 2 этаже, на минимальном расстоянии от котла. И если раньше вы могли разместить 2 бойлера – на первом и втором этаже, то теперь у вас один узел нагрева – в котельной.
В-третьих, раз вы используетедля производства ГВС, то вам стоит подумать над тем, чтобы размещать санузлы, кухню на первом этаже поблизости от котельной. А санузел второго этажа – обустроить прямо над котельной, блокируя его, например, с прачечной.
Некоторые хозяева прачечную размещают в подвале. Однако удобнее всего, когда прачечная располагается рядом со спальнями – поверьте слову практика. Но про прачечные и ГВС – подробно в другом материале. 
Отопление 2-этажного дома без насоса. Виды конструкций
Контур отопления — это совокупность элементов, предназначенных для обогревания жилища путём передачи тепла воздуху. Наиболее распространённым видом отопления является система, использующая в качестве источника нагрева котлы или бойлеры, подключённые к водопроводу. Вода, проходя через нагреватель, достигает определённой температуры, а после направляется в отопительный контур.
В системах с теплоносителем, в качестве которого используется вода, циркуляция может быть организована двумя путями:
- естественным;
- принудительным.
Контура с естественным движением воды просты и надёжны, но для их эффективного использования нужна правильно построенная система. Для второго же способа используется насосное оборудование, которое, создавая давление, заставляет воду перемещаться.
В качестве источника тепла, служащего для нагревания воды, используются котлы (бойлеры). Их принцип действия основан на превращении определённого для них рода энергии в тепло с последующей его передачей теплоносителю. По типу источника нагрева котельное оборудование бывает газовым, твердотопливным, электрическим или мазутным.
Любой из этих видов котлов может использоваться в системе отопления частного дома без насоса, но наиболее популярным является газовый и твердотопливный.
По типу соединения элементов контура система отопления может быть однотрубной или двухтрубной . Если все приборы контура включены относительно друг друга последовательно, то есть теплоноситель проходит по порядку все элементы и возвращается в котёл, то такая система называется однотрубной. Её существенным недостатком является неравномерность прогрева. Это связано с тем, что на каждом элементе происходит потеря какого-то количества тепла, поэтому разница температур котла может быть существенной.
Система двухтрубного типа подразумевает параллельное подключение радиаторов к стояку. К недостаткам такого подключения относят осложнение конструкции и увеличенный в два раза расход материала по сравнению с однотрубной системой. Но построение контура обогрева для больших многоэтажных помещений выполняется только таким соединением.
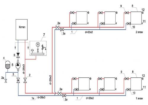
Отопление 2 этажного дома с теплыми полами. Схема отопления 2-х этажного дома 110м2 | металлопластик | теплый пол, радиаторы
Рассмотрим схему отопления двухэтажного загородного дома. У нас будет установлен теплый пол на первом этаже, на втором этаже радиаторы с коллекторной разводкой. Дом имеет размер 9 х 9 м, но при этом отапливаемая площадь составляет 110 м2, так мы не учитываем крыльцо, балкон и вычитаем толщину стен, берем за расчет только отапливаемую площадь.
На 1 этаже у нас имеются следующие помещения: котельная, кладовка, туалет, сауна, гостиная, кухня и прихожая.
На 1 этаже будем устанавливать только теплые полы без радиаторов, так как дом планируется на постоянное проживание. Вот если бы планировалось, что дом рассчитан только на выходные, то тогда обязательно нужно было бы ставить радиаторы, потому что сам теплый пол имеет большую инерцию (он долго нагревается и долго остывает), теплый пол просто не успеет нагреться до рабочей температуры (чтобы мог достаточно отдавать тепла), на это требуется 2-3 дня.
Начинаем монтаж с котельной, устанавливаем котел и подключаем магистральные трубы. В нашем котле уже установлены все необходимые узлы: группа безопасности, расширительный бак, циркуляционный насос и их нам устанавливать не нужно. Но перед входом в котел не забываем ставить фильтр, в нашем случаи стоит косой фильтр 1”, хотя можно было поставить 3/4 , никакой разницы не было бы.
Обратим внимание на коллектор для радиаторов (радиаторы будут установлены на 2-ом этаже). Всего планируется 6 радиаторов, но коллектор мы ставим с 7 выходами, на один больше, чем у нас радиаторов. Это нужно для того чтобы заливать и сливать теплоноситель. Узел слива и залива теплоносителя, как правило ставят в самой нижней точке, для того чтобы иметь возможность без труда весь его слить из системы, но в нашем случаи это не подходит, так как самая нижняя точка это теплый пол. Таким образом мы имеем возможность без труда сливать весь теплоноситель только с радиаторов, но если захотим слить и из теплого пола или из всей системы, то придаться систему продувать.
Далее ставим насосно-смесительный узел для теплых полов. Этот узел нужен чтобы обеспечивать циркуляцию теплоносителя по теплому полу с заданной пониженной температурой. Так как из котла у нас поступает теплоноситель 60-70 °C, а в теплый пол должна поступать температура 40 °C, то смесительная группа в результате смешивания, разбавляет остывший и горячий теплоноситель до нужной температуры.
Если не ставить смесительную группу, то это приведет к тому, что пол будет горячем и вы по нему не сможете ходить и еще из-за повышенной температуры, деформация труб усилится и они будут перетираться в бетона, что приведет к их дальнейшему разрушению.
Далее ставим коллектор для теплого пола, он отличается от обычного, тем что имеет возможность визуально откорректировать и уровнять скорости потока на разных линиях.
После того, как мы собрали все необходимые узлы приступаем к подготовке пола для укладки труб.
- Укладываем утеплитель пенополистирол толщиной 50 мм. Его можно купить в строительном гипермаркете Петрович.
- Укладываем теплоотражатель.
- Кладем армирующую сетку. Она нужна для того чтобы к ней крепить трубы. Раньше для этих цель использовали клипсы, но сейчас намного проще и быстрей установить сетку и к ней крепить трубы при помощи зажимов или проволокой.
В качестве трубы для теплого пола выступает металлопластиковая труба 20 мм.Максимальная длина одной линии 100 м.
Расстояние между трубами 20 см.
Укладывать трубы можно, как вам удобно, змейкой или улиткой.
Перейдем ко второму этажу. Во всех помещениях установим радиаторы. А затем их подключим. Прокладываем трубы к радиаторам и подключаем их к коллектору.
Для подключения радиатора мы используем узел нижнего бокового подключения. Этот узел позволяет из одной точки подключения отдавать и забирать теплоноситель, а еще может использоваться, как байпас. То есть даже при отключении радиатора, теплоноситель минуя сам радиатор, будет циркулировать через этот узел.Чтобы подключить трубы к этому узлу не нужно использовать пресс фитинги, здесь используется система обжимов, но не совсем простая. Дело в том, что использовать стандартные обжимы в загородных домах нельзя, они со временем начинают подтекать, но в данном случаи используется специальная конструкция с гильзами, которые очень плотно стыкуются и собирается один раз.
После того, как все собрано, можно заливать пол. Но перед этим необходимо по периметру всех стен установить демпферную ленту толщиной 1 см. Затем можно заливать бетон.