Система отопления частного двухэтажного дома. Греющий пол и плинтус
- Система отопления частного двухэтажного дома. Греющий пол и плинтус
- Двухтрубная система отопления двухэтажного дома своими руками. Суть и достоинства двухтрубной схемы отопления
- Какую систему отопления выбрать для двухэтажного дома. Особенности отопления двухэтажного дома
- Отопление двухэтажного дома двухконтурным котлом. Схема отопления двухэтажного дома с двухконтурным котлом
- Схема отопления двухэтажного дома с теплым полом. Как делается разводка для двух этажей с помощью тупиковой схемы
- Двухтрубная система отопления двухэтажного дома. Верхний и нижний розливы
- Схема отопления двухэтажного дома с настенным газовым котлом. Схема отопления двухэтажного частного дома с газовым котлом: достоинства, оборудование, реализация
Система отопления частного двухэтажного дома. Греющий пол и плинтус
Трубы с горячей водой, уложенные в полу с расчетным шагом, позволяют равномерно обогревать помещения всей поверхностью напольного покрытия. От каждого греющего контура, чья длина не превышает 100 м, подводки сходятся к коллектору со смесительным узлом, обеспечивающему потребный расход теплоносителя и его температуру в пределах +35°…+45°С (максимум +55°С). Коллектор запитан напрямую от котла одной веткой и управляет отоплением на 2 этажах одновременно. Позитивные стороны теплого пола:
- равномерный прогрев пространства комнат;
- отопление комфортно для людей, поскольку обогрев идет снизу;
- низкая температура воды позволяет сэкономить на энергоносителях до 15%;
- возможен любой уровень автоматизации системы — работа от терморегуляторов, погодных датчиков либо по программе, заложенной в контроллер;
- системой с контроллером можно управлять на расстоянии — посредством GSM-связи или интернета.
Подобные системы автоматического регулирования внедряются и в коллекторную схему двухэтажного коттеджа. Недостаток теплых полов — высокая стоимость материалов и монтажных работ, которые сложно выполнить самостоятельно.
Греющие плинтусы — подходящий вариант для любого частного дома, не только двухэтажного. Эти отопительные приборы в виде больших плинтусов представляют собой медные либо алюминиевые конвекторы, соединенные по двухтрубной схеме. Они опоясывают помещения по периметру, нагревая воздух со всех сторон. Плинтусное отопление легко монтируется и удовлетворяет любым требованиям к дизайну интерьера.
Двухтрубная система отопления двухэтажного дома своими руками. Суть и достоинства двухтрубной схемы отопления
Такая система включает в состав нагревательный котёл, отопительные радиаторы, приборы контроля, трубы для подачи теплоносителя (горячей воды), сопутствующую арматуру и прочие элементы. При условии правильного подбора всех составляющих конструкции, разумного планирования разводки и добросовестной сборки контура теплоснабжения использование схемы позволит, обеспечивая во всех помещениях дома предпочтительный температурный режим, существенно снизить расходы на отопление.
Принцип работы двухтрубной системы отопления двухэтажного дома заключается в подаче теплоносителя (в данном случае горячей воды) через коллектор и подающую трубу к каждому из подключенных радиаторов и последующем отведении отдавшей тепло влаги через отводящую трубу. В соответствии с количеством используемых труб такую схему и называют двухтрубной.

Преимущества системы:
- Достижение равномерного прогревания всех входящих в контур радиаторов за счёт поступления в них имеющего одинаковую температуру теплоносителя.
- Возможность, при условии установки управляемого вручную термостата, определять для каждой комнаты здания свой температурный режим и по мере необходимости изменять его.
- Небольшие потери давления в системе, благодаря чему, не теряя в температурных показателях, можно использовать менее производительный и, соответственно, не потребляющий много электрической энергии насос. В одноэтажных постройках использование насоса вообще может быть исключено, однако тогда значительно снижается энергоэффективность контура.
- Универсальность. Двухтрубную систему допускается применять в частных домах с любым количеством этажей.
Перед тем, как закупать необходимые материалы и приступать к монтажу контура, нужно спланировать схему отопления и рассчитать возможность её размещения на данной площади. Длины отходящих от узла труб должны быть примерно одинаковы.
Какую систему отопления выбрать для двухэтажного дома. Особенности отопления двухэтажного дома
Многие владельцы загородных двухэтажных домов ещё до окончания постройки начинают колебаться в выборе отопительной системы и основного нагревательного элемента. Газовой обогрев достаточно дорогой, но сам котел стоит несколько дешевле электрических аналогов. Кроме того, необходимость доставлять теплоноситель на второй этаж обусловливает потребность использования циркуляционного оборудования. Система с принудительной циркуляцией является обязательно в случае многоэтажных домов.

При этом не обязательно использовать воду как основной теплоноситель. Поскольку обычная проточная вода имеет множество минусов, которые мешают его использовать. К основным из них относят возможность разрыва труб в случае сильных морозов при отсутствии нагрева. Также, эта жидкость может привести к коррозии и забиванию радиаторов. Поэтому, в современном оборудовании гораздо чаще используют специальные незамерзающие составы — антифризы, которые не замерзают.
На текущий момент существует три основных вида разводки, каждая из которых имеет свои достоинства. Если их объединять с циркуляционной помпой, у них будет множество достоинств.
К таковым системам относят:
- Однотрубную.
- Коллекторную или лучевую.
- Двухтрубную.

Важным элементом в системе отопления двухэтажного дома является насос. Его обычно монтируют на ветви с подающий, либо обратный трубопровод, рядом с котлом. Это обеспечивает повышенную скорость циркуляции теплоносителя по трубам при нормальном давлении. Это позволяет увеличить скорость циркуляции в 2.5-5 раз. Это важно для домов с большой площадью, поскольку при использовании однотрубной разводки отопления теплоноситель будет слишком быстро остывать, и в помещениях, удаленных от котельной температура будет несколько ниже, чем в расположенных рядом.
Отопление двухэтажного дома двухконтурным котлом. Схема отопления двухэтажного дома с двухконтурным котлом
Обычная схема отопления двухэтажного дома с двухконтурным котлом ничем не отличается от такой же схемы с одноконтурным теплогенератором, если дело касается только обогрева помещений. Что же касается ГВС, то схема отопления двухэтажного дома с двухконтурным котлом имеет свои особенности.  В первую очередь, это добавление к обвязке теплогенератора в виде подводящего и отводящего трубопровода ГВС. Подводится холодная вода, а отводится, соответственно, горячая. При этом схема отопления двухэтажного дома с двухконтурным котлом будет иметь также отличия от ГВС в одноэтажном доме. В чем отличия?
 В первую очередь, это добавление к обвязке теплогенератора в виде подводящего и отводящего трубопровода ГВС. Подводится холодная вода, а отводится, соответственно, горячая. При этом схема отопления двухэтажного дома с двухконтурным котлом будет иметь также отличия от ГВС в одноэтажном доме. В чем отличия?  Во-первых, вся система горячего водоснабжения, равно как и, в одноэтажном доме проходит по 1 уровню. В двухэтажном доме вы должны формировать 2 ветки отопления и 2 ветки ГВС – на первом и на втором этаже.
 Во-первых, вся система горячего водоснабжения, равно как и, в одноэтажном доме проходит по 1 уровню. В двухэтажном доме вы должны формировать 2 ветки отопления и 2 ветки ГВС – на первом и на втором этаже.  Во-вторых, при использовании двухконтурного котла, особенно газового, неразумно использовать для нагрева воды электрические бойлеры. Это значит, что после узла нагрева вы должны делать точки водоразбора по всему дому, на 1 и 2 этаже, на минимальном расстоянии от котла. И если раньше вы могли разместить 2 бойлера – на первом и втором этаже, то теперь у вас один узел нагрева – в котельной.
 Во-вторых, при использовании двухконтурного котла, особенно газового, неразумно использовать для нагрева воды электрические бойлеры. Это значит, что после узла нагрева вы должны делать точки водоразбора по всему дому, на 1 и 2 этаже, на минимальном расстоянии от котла. И если раньше вы могли разместить 2 бойлера – на первом и втором этаже, то теперь у вас один узел нагрева – в котельной.  В-третьих, раз вы используетедля производства ГВС, то вам стоит подумать над тем, чтобы размещать санузлы, кухню на первом этаже поблизости от котельной. А санузел второго этажа – обустроить прямо над котельной, блокируя его, например, с прачечной.
 В-третьих, раз вы используетедля производства ГВС, то вам стоит подумать над тем, чтобы размещать санузлы, кухню на первом этаже поблизости от котельной. А санузел второго этажа – обустроить прямо над котельной, блокируя его, например, с прачечной.  Некоторые хозяева прачечную размещают в подвале. Однако удобнее всего, когда прачечная располагается рядом со спальнями – поверьте слову практика. Но про прачечные и ГВС – подробно в другом материале.
 Некоторые хозяева прачечную размещают в подвале. Однако удобнее всего, когда прачечная располагается рядом со спальнями – поверьте слову практика. Но про прачечные и ГВС – подробно в другом материале. 
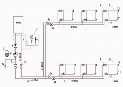
Схема отопления двухэтажного дома с теплым полом. Как делается разводка для двух этажей с помощью тупиковой схемы
Наиболее часто применяется и просто реализуется тупиковая двухтрубная схема для двух этажей. Для небольшого частного дома – два плеча на первом этаже и одно плечо на мансардном этаже. Если второй этаж полноценный — там, соответственно, тоже 2 плеча… В каждом простом (не ветвящемся) тупике рекомендуется до 5 шт. радиаторов. Таким образом для 2х тупиков на этаж — до 10 шт радиаторов, обычно это полностью устраивает по отапливаемой площади до 250 м кв.

Схема легко совмещается с теплым полом на первом этаже. Не требует глубоких балансировок, обеспечивает расход теплоносителя через все радиаторы с разницей не более 20%, что приемлемо, при этом наиболее дешева, может применяться и для прокладки труб по стенам с перебуриванием перегородок, и для прокладки под полом. Важно, что нет необходимости обходить дверные проемы — тупики располагают так, чтобы они заканчивались возле дверей…

На практике зачастую тупиковую разводку дробят для удобства подключения и укорачивания разводки под полом – один тупик делят еще на 2 — 3 ответвления, если их длина и тепловая нагрузка приблизительно одинаковые, по 2 – 3 радиатора в каждом ответвлении. Таким образом, в одном тупике может быть установлено без глубокой балансировки более 5 радиаторов.

Схема отопление двухэтажного здания, тупиковая с разветвлением тупиков на несколько ветвей. Здесь используются несколько стояков для подключения радиаторов второго этажа. Но по дизайнерским соображениям подобные схемы часто бракуются, их несложно заменить разводкой гибких труб над отшивкой потолка.
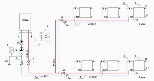
Двухтрубная система отопления двухэтажного дома. Верхний и нижний розливы
В зависимости от расположения розлива подачи выделяют схемы с нижним и верхнем розливами.
- В первом случае и подающая, и обратная нитки контура расположены в подвале и соединяются парными стояками. Те, в свою очередь, соединяются между собой перемычками, расположенными в комнатах верхнего этажа или на чердаке;

Нижний розлив: подача и обратка проходят по подвалу и соединяются парными стояками.
Выносить перемычки на холодный чердак — не очень хорошая идея. При остановке контура в холода вода зависает в стояках, и трубы на чердаке оказываются прихваченными льдом уже через час после отключения отопления.
- Во втором случае подача разведена по чердаку, а обратка — по подвалу. Такая схема сильно упрощает сброс и запуск системы: при сбросе достаточно открыть сбросник на расширительном баке, расположенном в верхней точке розлива подачи, и вся зависшая в трубах вода сольется вниз; при запуске воздух стравливается не на каждой перемычке между стояками , а только на пресловутом сброснике в расширительном бачке.

Для запуска контура достаточно стравить воздух через кран на расширительном бачке.
На мой взгляд, именно верхний розлив наиболее удобен в плане эксплуатации . В домах с верхним расположением подачи на моей памяти ни разу не было серьезных аварий, связанных с разморозкой отопления, в то время как в домах с нижним розливом радиаторы и подводки в подъездах приходилось отогревать каждую зиму.
Схемы разводки отопления при верхнем розливе.
Схема отопления двухэтажного дома с настенным газовым котлом. Схема отопления двухэтажного частного дома с газовым котлом: достоинства, оборудование, реализация
Варианты снабжения дома газом
Основные элементы системы отопления
Плюсы и минусы газового отопления
Способы разводки отопления от газового котла
Виды газовых котлов
Виды циркуляции теплоносителей в системе
Расчет тепловой мощности котла отопления
Последовательность обустройства системы газового отопления в частном доме
Правила реализации схемы отопления дома с двухконтурным газовым котлом
Требования к установке газового котла
Коротко о главном
Газовое отопление уверенно лидирует среди аналогов, работающих на других ресурсах. Несмотря на отработанные и надежные действующие методики, производители разрабатывают и используют новые технологии, повышающие эффективность, безопасность и экономичность систем. Ассортимент оборудования увеличивается. Но базовая схема отопления двухэтажного частного дома с газовым котлом остается неизменной, как постоянны критерии выбора типа системы, ее компоненты, рекомендации по монтажу.

Схема системы двухконтурного отопления
Варианты снабжения дома газом
Система отопления двухэтажного частного дома от газового котла может запитываться от централизованной магистрали или автономно:
- Централизованный газопровод. Стабильное поступление газа – удобно, но подключение к газ-магистрали может обойтись дорого: врезка, прокладка труб до дома, оформление документов и их согласование.
- Газгольдер. Если газовая магистраль расположена далеко от дома, целесообразно обустроить газгольдер – расположенный под землей резервуар. Качество топлива подходит для отопления частного дома любым газовым котлом. Его, в зависимости от объемов потребления, заполняют 2-3 раза за год. Важно правильно выбрать газгольдер по объему.
