Как сделать отопление в 2 этажном доме. О естественной циркуляции
- Как сделать отопление в 2 этажном доме. О естественной циркуляции
- Схема отопления двухэтажного дома с настенным газовым котлом. Схема отопления двухэтажного дома: виды систем
- Двухтрубная система отопления двухэтажного дома. Виды двухтрубных систем двухэтажного дома
- Как развести отопление на два контура. Вариант №2. Подключение посредством двух двойных коллекторов
- Отопление 2-этажного дома без насоса. Плюсы гравитационной системы
- Отопление 2 этажного дома с теплыми полами. Преимущества и недостатки водяных полов
- Отопление двухэтажного дома двухконтурным котлом. Схема отопления двухэтажного дома с двухконтурным котлом
- Как сделать 2 контура отопления. Самотечное отопление
- Однотрубная система отопления двухэтажного дома. Общие сведения об однотрубных схемах отопления
Как сделать отопление в 2 этажном доме. О естественной циркуляции
Схема, в которой движения воды инициируется естественным путем, встречается достаточно редко. Это потому, что для нее требуется достаточно большой диаметр трубопроводов, да и бак расширительный нужно установить – он будет компенсировать расширение носителя тепла во время повышения температуры.
Обратите внимание! Бак этот должен устанавливаться только в наивысшей точке системы!
Зачастую для бака выбирают теплое и «уютное» местечко – чердак дома. Прибор утепляют, а также оснащают специальной «дыхательной» трубкой и емкостью, куда бы выливалась лишняя вода. Если случится перелив. Данная схема отопления двухэтажного дома требует, чтобы трубопровод устанавливался под уклоном, направленным от котла к самому дальнему отопительному прибору. Иными словами, туда, куда движется носитель тепла. Эту особенность воплотить порой достаточно сложно.
Подробнее о выборе и установки расширительного бака, читайте здесь
Не обойтись без такой системы в двух случаях:
- когда в доме нет электричества;
- когда нет места, чтоб установить циркуляционный насос.
Более того, если часть системы отключить, то распределить жидкость по оставшейся части будет достаточно сложно. Но есть у системы преимущества – главное из них в том, что она полностью автономна. Если вы будете использовать с ней котел на твердом топливе, то станете независимым от центрального энергоснабжения.
Обратите внимание! Рассчитать естественную систему отопления достаточно сложно: здесь и гидравлический расчет, и перепады, и разного рода сопротивления. Если всего этого не сделать, то о работоспособности системы не будет и речи.
Схема отопления двухэтажного дома с настенным газовым котлом. Схема отопления двухэтажного дома: виды систем
Выбирая вид отопления для здания с двумя этажами, определяют размеры и конструкцию дома: от них зависит выбор системы — с однотрубной или двухтрубной схемой отопления. Важен и выбор котла: если к дому проведен газопровод, то лучше использовать газовый котел или твердотопливный. При больших габаритах здания целесообразно применять принудительную циркуляцию.
Виды отопительных систем
Отопительная система должна обеспечивать необходимую температуру в доме. Чтобы она была оснащена удобным управлением, если понадобится, могла бы обеспечивать отопление по типу «теплый пол», выбирают схему с автоматической регулировкой. Если внимательно ознакомиться с чертежами, то схему отопления двухэтажного дома можно сделать своими руками.
Разновидности отопительных систем:
- Однотрубная.
- Двухтрубная.
- Коллекторная.
- Теплые полы.
Системы бывают:
- с верхней и нижней разводкой;
- с принудительной и естественной циркуляцией;
- с вертикальными и горизонтальными стояками;
- с магистральным движением теплоносителя;
- с газовым и электрическим котлом;
- совместно с теплым полом и батареями;
- замкнутой схемой.
Простой схемой является однотрубная разводка. Ее можно смонтировать своими руками, ее еще называют «Ленинградкой». Трубы можно спрятать под пол или развести трубопровод над ним. Такую схему применяют обычно в одноэтажном строении.
На заметку!
Для двухэтажного дома подойдет система с двухтрубной разводкой.
Эффективность схем отопления с принудительной циркуляцией
Часто применяются в постройках системы с принудительной циркуляцией теплоносителя. Схема хорошо работает при большой протяженности трубопровода. Особенность системы: циркуляция воды происходит при помощи насоса. Механизм создает давление, обеспечивает стабильность скорости передвижения теплоносителя по трубам. Устройство устанавливают на обратной и подающей магистрали.
Преимущества принудительной циркуляции:
- быстро нагреваются батареи;
- используются трубы с меньшим диаметром, что экономит количество материала;
- экономится электричество, котел работает в оптимальном температурном режиме;
- простота монтажа;
- регулировка давления;
- не нужен постоянный контроль, система замкнутая;
- можно использовать антифриз;
- разводка труб имеет разные варианты.
Схема отопления двухэтажного дома с принудительной циркуляцией:
- котел любых типов;
- трубы;
- автовоздушник;
- термостатический и балансировочный клапан;
- батареи;
- расширительный бак;
- шаровый вентиль;
- сетчатый фильтр;
- насос;
- термоманометр;
- предохранительный клапан.
Расширительный бак принимает излишки воды при ее расширении во время нагрева. При увеличении давления открывается мембранный клапан, вода поступает в бак, давление снижается, клапан закрывается. Таким образом в системе поддерживается стабильное давление, необходимое для безопасного функционирования отопления.
Естественная циркуляция в качестве альтернативного варианта
Циркуляция происходит при расширении и уменьшении плотности нагретой воды без помощи насоса. Она поднимается по вертикальному участку, перемещаясь по трубопроводу под уклоном, проходит через все подсоединенные обогреватели, остывает, попадает в трубу и возвращается к котлу.
Простая схема отопления двухэтажного дома без насоса:
- котел;
- расширительный бак;
- трубы под уклоном подачи;
- радиаторы;
- обратка.
Схема отопления двухэтажного дома с естественной циркуляцией имеет ограниченную длину трубопровода — магистраль не превышает 30 м. При большей длине не хватит давления для циркуляции теплоносителя. Потери тепла происходят на изгибах и поворотах труб.
Однотрубная система отопления
Однотрубные схемы проще в монтаже, но с каждым последующим радиатором температура воды в нем становится ниже. Последняя батарея будет холодной, а значит, и комната не прогреется. Радиаторы подключаются по нижней схеме. Для маленького дома подойдет схема «Ленинградка»: в ней расположены перемычки между входом и выходом. Часть тепла направляется в радиатор, а часть пойдет дальше по трубопроводу.
Схема отопления двухэтажного дома с принудительной циркуляцией однотрубная:
- Прокладывают трубы по всему двухэтажному зданию.
- Устанавливают тройники на участках соединения с батареями.
- Присоединяют насос.
- Устанавливают расширительный бак. Размещают его в самой высокой точке дома, минимальная высота его установки — 3 м.
На заметку!
Для возможного слива и пополнения системы жидкостью предусматривают установку специального узла.
Особенности двухтрубного отопления
Двухтрубное отопление создает комфортные условия, так как прогреваются равномерно все батареи, тепло стабильно во всех комнатах дома. Внешний контур — две трубы, для подачи и обратки, они расположены параллельно друг другу. Радиаторы соединены трубами вверху с подачей тепла и внизу с обраткой. Горячая вода подается в батареи, а выходит охлажденная, возвращается по другой ветке магистрали.
Двухтрубная система отопления двухэтажного дома. Виды двухтрубных систем двухэтажного дома
Прежде чем выбрать тот или иной вариант двухтрубной системы отопления двухэтажного дома, схему разводки труб и вид циркуляции, необходимо выяснить, какими же они могут быть.
Во-первых, в зависимости от пространственного расположения подводящей и отводящей магистрали двухтрубная система, также как и однотрубная , может быть выполнена по двум схемам:
- С горизонтальной разводкой — когда магистральные трубы на каждом этаже образуют отдельные условно горизонтальные (с соблюдением необходимых уклонов) контуры или петли;
- С вертикальной — когда подача нагретого теплоносителя к радиаторам в разных уровнях и отвод охлажденного, из них, осуществляется при помощи вертикальных стояков.
Схемы с горизонтальной разводкой можно также разделить на:
- Простые — с последовательным подсоединением радиаторов к подающей трубе и «обратке»;
- Лучевые или коллекторные — когда каждый радиатор подсоединяется отдельно с помощью двух труб к специальному распределителю (гребенке, коллектору). Он может быть отдельным для каждого этажа, размещенным в нише или шкафчике или же быть общим для всего дома, размещенным в котельной.
Схемы с последовательным подсоединением радиаторов могут быть как с нижней, так и с верхней разводкой подающей трубы. Коллекторные же или лучевые схемы, как правило, предполагают нижнюю разводку труб, причем, очень часто, те прокладываются скрыто, под полом.
Кроме этого, схемы двухтрубных систем отопления двухэтажных домов могут отличаться способом обеспечения циркуляции теплоносителя. Такая циркуляция может быть:
- Гравитационной или естественной – когда она обеспечивается только разностью удельного веса горячего и холодного теплоносителя и наличием уклонов магистральных трубопроводов;
- Принудительной – когда для этого используется специальный циркуляционный насос (или насосы);
- Комбинированной – когда система имеет возможность работать и по той и по другой схеме, в зависимости от обстоятельств.
В зависимости от вида расширительного бака и способа создания избыточного давления в системе она может быть:
- Открытой – когда используется открытый расширительный бак, обычно располагающийся под потолком на втором этаже или на чердаке, а давление в системе определяется только высотой его размещения. Часто такой бак используется и в качестве центрального воздухосборника (как на рис. 1). Это возможно в случае, если его подсоединяют к наивысшей точке подающей трубы. Если же он подсоединяется к обратной трубе (например, при установке на «обратке» циркуляционного насоса), то на подающей трубе дополнительно необходимо устанавливать воздухосборник или воздушный клапан;
- Закрытой – когда в качестве расширительного используется герметичный мембранный бак. Избыточное давление в таких системах рассчитывается и обычно находится на уровне 1,5 бар (0,15 МПа). Такой бак может быть расположен в любом месте на подающей или обратной магистрали, но чаще всего его располагают недалеко от котла. Обязательным атрибутом закрытой системы является наличие, так называемого «блока безопасности», включающего предохранительный и воздушный клапаны и манометр, так как возникает необходимость контроля избыточного давления жидкости и автоматического сбрасывания в случае его увеличения выше установленного безопасного уровня.
Как развести отопление на два контура. Вариант №2. Подключение посредством двух двойных коллекторов
Данная схема отличается от предыдущей тем, что батарея, являющаяся первой к котлу отопления на подаче, одновременно первая и на пути «обратки». Эта первая батарея работает максимально эффективно, в то время как остальные узлы теряют эффективность по мере своего отдаление в системе.

Подключение через два двойных коллектора
Использование двух коллекторов дает возможность минимизации данного эффекта, т. к. создаются два контура. Благодаря этому число радиаторов в одном контуре уменьшается, а тепловая энергия распределяется более-менее равномерно.
Важно! На «обратке» и подаче, почти сразу после подключения к отопительному котлу, устанавливают по двойному коллектору. На линии подачи коллектор делит теплоноситель на два контура, идущих к одной и другой частям радиаторов соответственно. Аналогичная ситуация наблюдается и на линии «обратки». Как следствие – создается пара более коротких контуров.

Два контура
В этой схема каждый последующий радиатор греется хуже, о чем мы уже упоминали выше, но частично данный эффект можно устранить посредством балансировочных клапанов. Если на подаче к первому радиатору этот клапан немного прикрутить, то к остальным узлам, более удаленным, обеспечится лучший приток теплоносителя. Отметим также, что регулировать клапаны необходимо в любом случае, поскольку в действительности длина контуров, которые создаются коллекторами, всегда несколько различается. Следовательно, в батареях будет неодинаковое количество тепла, а потому они нуждаются в балансировке с целью уравновесить эффективность их работы.
Отопление 2-этажного дома без насоса. Плюсы гравитационной системы
Основное преимущество парового обогрева без насоса заключается в простоте монтажа. Система не требует дополнительного оборудования. Необходимо правильно рассчитать площадь труб, собрать магистраль, включая радиаторы, все швы сделать надёжными, чтобы они не деформировались под воздействием пара.
Рекомендуем: Как сделать паровое отопление на даче?
Ещё одним плюсом является автономность конструкции. Если работа котла не зависит от электричества, то обогрев помещения будет равномерным, независимо от непогоды, отключения газа или электроэнергии. Для загородных домов это является безусловным преимуществом. Кроме обогрева домочадцы будут иметь в помещении горячее водоснабжение.

При однотрубной схеме гравитационного отопления котёл и оборудование, которое составляет магистраль, могут находиться на одном уровне. Пар под давлением равномерно поступает во все радиаторы. Наклон требуется только для трубы, по которой идёт конденсат.
Температура пара достигает 170 0С. Прогрев системы происходит за короткие сроки. Гравитационный отток конденсата может осуществляться уже при температуре 50 0С. Нет необходимости выжидать долгое время, пока отопление начнёт действовать с максимальной эффективностью. Устанавливать паровое отопление может только специалист, несмотря на простоту монтажа.
YouTube responded with an error: The request cannot be completed because you have exceeded your quota.
Отопление 2 этажного дома с теплыми полами. Преимущества и недостатки водяных полов
Использование водяных теплых полов (ТП) возможно в качестве как дополнительного, так и основного источника обогрева комнат в коттеджах и квартирах. Причем чаще всего их укладывают во втором варианте исполнения. В сравнении с батареями напольный обогрев более эффективен в эксплуатации, но и дороже их в реализации.
Среди достоинств систем теплого пола на нагреваемой воде числятся:
- оптимальное для человека распределение тепла по помещению;
- отсутствие циркуляции пыли из-за конвекции воздуха;
- высокая экономичность – теплоноситель приходится нагревать всего до 40–50 0С;
- эстетика – все коммуникации и элементы энергосистемы укрыты в слое стяжки;
- полная электробезопасность;
- отсутствие электромагнитных полей и проблем с высушиванием воздуха;
- срок службы до 50-ти лет;
- плавность прогрева пола, исключающая шоковое воздействие на ламинат и иные покрытия при резком их прогреве.
Если сравнивать рассматриваемый вариант обогрева с радиаторным отоплением, то напольная система оказывается минимум на 20–30% экономичней. А в некоторых случаях эта разница доходит и до 50–60%. Для батарей воду приходится нагревать до температуры в 70–90 0С на входе в радиатор. А для ТП ее подогревают на максимуме, при сильном морозе за окном, лишь до 50–55 0С.
Распределения тепла при отоплении радиатором и системой теплый пол
Минусы у водяного пола следующие:
- возможные протечки воды;
- невозможность укладки в узких коридорах;
- относительная дороговизна;
- большие затраты по времени на устройство;
- высокие нагрузки на перекрытие из-за большого объема бетона;
- подъем пола за счет дополнительной стяжки толщиной 60–150 мм;
- низкая ремонтопригодность;
- высокая инертность.
Чтобы смонтировать трубный теплый пол своими руками и уложить сверху финишное покрытие, требуется до месяца времени. Монтаж его производится в стяжке из бетона, которому нужно порядка трех недель на застывание и упрочнение.
Первоначальные затраты на обустройство водяного ТП выше радиаторного аналога в 1,5–3 раза. Однако благодаря экономичности подобный теплый пол окупается за 3–5 лет.
Главная его проблема – высокая инертность на нагрев. Напольная система отопления из-за толстого слоя бетона долго прогревается (батареи дают тепло в помещение гораздо быстрее). Нередко из-за такого своего запаздывания она просто не успевает за колебаниями температуры на улице.
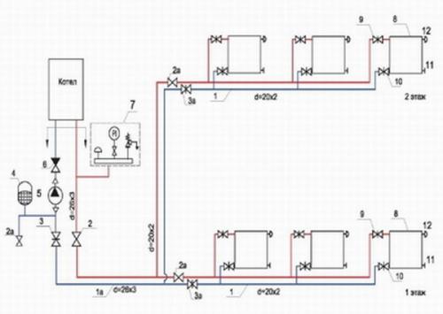
Отопление двухэтажного дома двухконтурным котлом. Схема отопления двухэтажного дома с двухконтурным котлом
Обычная схема отопления двухэтажного дома с двухконтурным котлом ничем не отличается от такой же схемы с одноконтурным теплогенератором, если дело касается только обогрева помещений. Что же касается ГВС, то схема отопления двухэтажного дома с двухконтурным котлом имеет свои особенности.
В первую очередь, это добавление к обвязке теплогенератора в виде подводящего и отводящего трубопровода ГВС. Подводится холодная вода, а отводится, соответственно, горячая. При этом схема отопления двухэтажного дома с двухконтурным котлом будет иметь также отличия от ГВС в одноэтажном доме. В чем отличия?
Во-первых, вся система горячего водоснабжения, равно как и, в одноэтажном доме проходит по 1 уровню. В двухэтажном доме вы должны формировать 2 ветки отопления и 2 ветки ГВС – на первом и на втором этаже.
Во-вторых, при использовании двухконтурного котла, особенно газового, неразумно использовать для нагрева воды электрические бойлеры. Это значит, что после узла нагрева вы должны делать точки водоразбора по всему дому, на 1 и 2 этаже, на минимальном расстоянии от котла. И если раньше вы могли разместить 2 бойлера – на первом и втором этаже, то теперь у вас один узел нагрева – в котельной.
В-третьих, раз вы используетедля производства ГВС, то вам стоит подумать над тем, чтобы размещать санузлы, кухню на первом этаже поблизости от котельной. А санузел второго этажа – обустроить прямо над котельной, блокируя его, например, с прачечной.
Некоторые хозяева прачечную размещают в подвале. Однако удобнее всего, когда прачечная располагается рядом со спальнями – поверьте слову практика. Но про прачечные и ГВС – подробно в другом материале. 
Как сделать 2 контура отопления. Самотечное отопление
Принцип работы системы с естественным движением теплоносителя базируется на явлении конвекции – горячая и менее плотная жидкость стремится подняться вверх по трубе, вытесняемая более тяжелыми холодными слоями. Котел греет воду, она становится легче и движется через вертикальный стояк со скоростью 0.1—0.3 м/с, затем расходится по магистралям и батареям.
Уточнение. Подразумевается, что нагреваемая и охлажденная жидкость находится в пределах одного замкнутого контура, в данном случае таковым выступает отопительная сеть частного дома.

Перечислим характеристики двухтрубной гравитационной системы двухэтажного здания, показанной на чертеже:
- Способ прокладки магистралей — горизонтальная верхняя разводка, берущая начало от общего стояка. Последний поднимается от котла, в самой высокой точке расположен расширительный бак, сообщающийся с атмосферой.
- Горизонтальные участки проложены с минимальным уклоном 3 мм на метр погонный магистрали. Подача наклонена в сторону радиаторов, обратка – к источнику тепла.
- Диаметры труб увеличены по сравнению с напорными системами, поскольку рассчитаны на малую скорость течения воды.
Важный нюанс. Чтобы реализовать устойчивый самотек, нужно применять трубы Ø40—50 мм (внутренний). Минимально допустимый диаметр раздающих и собирающих ветвей – Ду25, ставится около последних батарей.
В одноэтажном доме используется аналогичная схема, но с одиночным подключением радиаторов. Подающий коллектор верхней разводки прокладывается на чердаке либо под потолком, обратный – над полом. Сделать нижнюю разводку нельзя – теплоноситель согласно закону сообщающихся сосудов затечет в батареи, но скорость движения и эффективность обогрева упадет до минимума.

Нынешние гравитационные схемы стали комбинированными благодаря установке циркуляционных насосов. Агрегат монтируется на байпасе, чтобы не мешать течению воды в случае отключения электроэнергии.
Однотрубная система отопления двухэтажного дома. Общие сведения об однотрубных схемах отопления
Основные сферы применения однотрубных схем – разные по этажности дома с небольшим количеством радиаторов в одном контуре. Например, в высотках от стояка отходят не более трёх радиаторов на этаж. В частном секторе такие системы наиболее эффективны в одно- и двухэтажных частных домах с площадью до 150 м2.
Достоинства и отрицательные стороны
Правильно подобрать систему отопления можно только исходя из условий эксплуатации, учитывая положительные и отрицательные стороны всех типов конструкции.