Двухтрубная схема отопления для двухэтажного частного дома. Двухтрубная
- Двухтрубная схема отопления для двухэтажного частного дома. Двухтрубная
- Двухтрубная система отопления частного дома. Виды двухтрубных систем отопления
- Схема отопления двухэтажного дома с настенным газовым котлом. Схема отопления двухэтажного частного дома с газовым котлом: достоинства, оборудование, реализация
- Двухтрубная система отопления на два крыла. Верхняя и нижняя разводка
- Какую систему отопления выбрать для двухэтажного дома. Особенности отопления двухэтажного дома
- Двухтрубная система отопления двухэтажного дома своими руками. Суть и достоинства двухтрубной схемы отопления
- Отопление двухэтажного дома двухконтурным котлом. Схема отопления двухэтажного дома с двухконтурным котлом
Двухтрубная схема отопления для двухэтажного частного дома. Двухтрубная
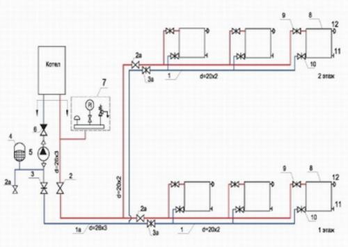
Схема двухтрубной системы являет собой разводку из двух параллельных труб, к которым подключаются радиаторы отопления. Одна труба подключается к подаче теплоносителя в радиатор, а другая – к выходу его из отопительного прибора. Эффективная работа двухтрубной системы отопления двухэтажного дома возможна только при наличии циркуляционного насоса.
Теплопотери такой системы значительно ниже, чем у однотрубной. К тому же, нагрев всех отопительных приборов выполняется равномерно.
Если выполняется нижнее подключение радиатора, то обязательно наличие запорной арматуры на подаче теплоносителя.
Преимущества двухтрубной схемы:
- Теплоноситель поступает во все радиаторы с одинаковой температурой.
- Возможность регулировки температуры радиатора.
- Поломка одного из радиаторов не влияет на работу системы.
- Большой объем работы при монтаже.
- Большой объем материала.
- Сложность монтажа.
- Высокая стоимость монтажа.
 Схема двухтрубной системы отопления двухэтажного дома
Схема двухтрубной системы отопления двухэтажного дома
- Терморегулирующий клапан. Определяет температуру радиатора.
- Отопительный прибор. Выполняет обогрев помещения.
- Блок безопасности. Он состоит из манометра (измеряет давление в системе), предохранительного клапана (выполняет сброс теплоносителя при повышенном давлении) и воздухоотводчика (выпускает воздух, накопившийся в трубопроводе).
- Обратный клапан. Исключает возврат воды в систему.
- Циркуляционный насос. Обеспечивает принудительную циркуляцию теплоносителя.
- Расширительный бачок. Регулирует объем воды.
- Прямоточный вентиль. Предназначен для регулировки напора теплоносителя.
Двухтрубная система отопления частного дома. Виды двухтрубных систем отопления
Теплокоммуникации такого типа отличаются конфигурацией, наличием насоса, направлением подачи и оттекания теплоносителя. Разнообразие позволяет выбрать оптимальную конфигурацию для конкретного здания.
Открытая и закрытая двухтрубная система отопления частного дома
Эти два вида отопительных коммуникаций отличаются конструкцией расширительного бака – емкости для сбора теплоносителя. При нагревании жидкость, циркулирующая по трубам, увеличивается в объеме, и образовавшийся излишек попадает в такой резервуар. При остывании жидкость уходит обратно в трубы.
Эти тепловые конструкции снабжены разными расширительными баками:
- В открытую двухтрубную систему устанавливается емкость, сообщающаяся с воздухом. Часто это пустая канистра.
- Закрытые отопительные контуры комплектуют герметичным расширительным баком, внутри которого находится воздушное пространство, отделенное эластичной мембраной. Излишки теплоносителя, образовавшиеся при нагревании, поступают в бачок, поджимают перегородку из резины или мягкого полимера и заполняют пространство, где находился воздух.
Открытые отопительные конструкции работают на воде, поскольку незамерзающая жидкость портится при постоянном контакте с воздухом. Поэтому такой вариант подойдет только для дома, который постоянно отапливается в холодное время. Закрытая теплосистема работает с любыми теплоносителями, ее можно смонтировать на даче, где зимой периодически отключают теплоснабжение.

Схема двухтрубной системы отопления с принудительной и самотечной циркуляцией
Эти два варианта двухконтурного отопления отличаются механизмом работы:
- Самотечная (гравитационная) теплосистема функционирует за счет законов физики. Нагретая вода из котла поднимается вверх, а затем стекает вниз под действием силы тяжести. Для этого тепловые магистрали укладывают под небольшим наклоном – 1 см на погонный метр. Преимущество таких коммуникаций – энергонезависимость, дом можно протопить даже при отсутствии света.
- В принудительной схеме жидкость перегоняет насос. Теплоснабжающая конструкция работает стабильнее, но требует подключения электричества.
Самотечное двухтрубное отопление монтируют в домах небольшой площади. В более крупных зданиях прокладывают принудительную схему с одним или несколькими устройствами для прокачки воды.
Попутная и встречная схемы теплоснабжения
Основное отличие – направление движения подогретого и остывшего теплоносителя. Потоки могут быть направлены в одну сторону (попутно) или в разные стороны (встречно). Имеются и другие существенные различия в конструкции.
Встречная теплосистема состоит из нескольких ветвей (петель), по которым движется теплоноситель. Каждая ветка заканчивается тупиком, из которого тепловой поток уходит обратно. Поэтому двухтрубную тупиковую систему отопления с нижней или верхней разводкой часто называют тупиковой.
Эта схема имеет множество достоинств:
- отопительные петли можно провести по комнатам любой формы и планировки, обогнуть с помощью труб вертикальные и горизонтальные препятствия;
- при желании сделать к дому пристройку достаточно доустановить «петли» в новые помещения;
- в теплокоммуникации легко встраиваются теплые полы, которые становятся еще одной веткой разводки.
Такая схема подключения двухтрубной системы отопления не лишена и недостатков:
- последние батареи на конце длинных ветвей могут плохо прогреваться, поскольку теплоноситель до них доходит позже, частично остывшим;
- слишком сложная конструкция может работать нестабильно.
Однако из-за своей простоты и функциональности в большинстве частных домов монтируют петлевую теплосистему.
Попутная разводка, или петля Тихельмана, равномерно нагревает даже большое количество радиаторов. Теплоноситель в ней движется по кругу, поэтому сумма длин обратки и подачи для каждой батареи одинакова. Из-за круговой замкнутой конструкции направление движения горячей и остывшей жидкости совпадают, поэтому такая тепловая схема получила название попутной.
Теплосистема имеет существенные недостатки, ограничивающие ее применение:
- Кольцевая схема хороша только для современных зданий с большими комнатами. В старых постройках со сложной планировкой проложить ее очень сложно.
- Попутную теплоснабжающую конструкцию легко смонтировать только на этапе строительства. Протянуть петлю Тихельмана в уже построенном доме или завести ее в новую пристройку проблематично.
Тем не менее, в современных дачах и коттеджах она работает стабильно, не требует регулировки и равномерно нагревает батареи.
Познакомьтесь с радиаторами теплоприбор
Преимущества радиаторов ТЕПЛОПРИБОР
Надежные и долговечные
- функционируют при показателях давления 16–20 атм. и выдерживают скачки до 30 атм. Срок их службы – от 25 лет.
Имеют длительную гарантию
- на алюминиевые модели – 10 лет,
а на биметаллические – 15 лет.
Состоят из российских материалов на 90%
– работаем с сырьем, получаемым напрямую от ведущих плавильных предприятий России, и отечественными составляющими.
Схема отопления двухэтажного дома с настенным газовым котлом. Схема отопления двухэтажного частного дома с газовым котлом: достоинства, оборудование, реализация
Варианты снабжения дома газом
Основные элементы системы отопления
Плюсы и минусы газового отопления
Способы разводки отопления от газового котла
Виды газовых котлов
Виды циркуляции теплоносителей в системе
Расчет тепловой мощности котла отопления
Последовательность обустройства системы газового отопления в частном доме
Правила реализации схемы отопления дома с двухконтурным газовым котлом
Требования к установке газового котла
Коротко о главном
Газовое отопление уверенно лидирует среди аналогов, работающих на других ресурсах. Несмотря на отработанные и надежные действующие методики, производители разрабатывают и используют новые технологии, повышающие эффективность, безопасность и экономичность систем. Ассортимент оборудования увеличивается. Но базовая схема отопления двухэтажного частного дома с газовым котлом остается неизменной, как постоянны критерии выбора типа системы, ее компоненты, рекомендации по монтажу.

Схема системы двухконтурного отопления
Варианты снабжения дома газом
Система отопления двухэтажного частного дома от газового котла может запитываться от централизованной магистрали или автономно:
- Централизованный газопровод. Стабильное поступление газа – удобно, но подключение к газ-магистрали может обойтись дорого: врезка, прокладка труб до дома, оформление документов и их согласование.
- Газгольдер. Если газовая магистраль расположена далеко от дома, целесообразно обустроить газгольдер – расположенный под землей резервуар. Качество топлива подходит для отопления частного дома любым газовым котлом. Его, в зависимости от объемов потребления, заполняют 2-3 раза за год. Важно правильно выбрать газгольдер по объему.

Двухтрубная система отопления на два крыла. Верхняя и нижняя разводка
По способу разводки подачи различают систему с верхней и нижней подачей. При верхней разводке труба идет под потолком, а от нее вниз опускаются к радиаторам трубы подачи. Обратка идет вдоль пола. Этот способ хорош тем, что можно легко сделать систему с естественной циркуляцией – перепад высот создает поток достаточной силы, чтобы обеспечить хорошую скорость циркуляции, необходимо только соблюсти уклон с достаточным углом. Но такая система становится все менее популярной из-за эстетических соображений. Хотя, если спрятать трубы вверху под подвесной или натяжной потолок, то на виду останутся только трубы к приборам, а их, собственно, можно замонолитить в стену. Верхняя и нижняя разводка применяются и в вертикальных двухтрубных системах. Разница продемонстрирована на рисунке.

Двухтрубная система с верхней и нижней подводкой теплоносителя
При нижней разводке труба подачи идет понизу, но выше, чем обратка. Тубу подачи располагать можно в подвальном или полуподвальной помещении (обратка еще ниже), между черновым и чистовым полом и т.д. Подводить/отводить теплоноситель к радиаторам можно, пропустив трубы через отверстия в полу. При таком расположении подключение получается наиболее скрытым и эстетичным
Но тут нужно подбирать расположение котла: в системах с принудительной циркуляцией его положение относительно радиаторов неважно – насос «продавит», а вот в системах с естественной циркуляцией радиаторы должны находиться выше уровня котла, для чего котел заглубляют

Двухтрубная система разная схема подключения радиаторов
Двухтрубная система отопления двухэтажного частного дома проиллюстрирована в видео. Она имеет два крыла, температура в каждом из которых регулируется вентилями, нижний тип разводки. Система с принудительной циркуляцией, потому котел висит на стене.
Какую систему отопления выбрать для двухэтажного дома. Особенности отопления двухэтажного дома
Многие владельцы загородных двухэтажных домов ещё до окончания постройки начинают колебаться в выборе отопительной системы и основного нагревательного элемента. Газовой обогрев достаточно дорогой, но сам котел стоит несколько дешевле электрических аналогов. Кроме того, необходимость доставлять теплоноситель на второй этаж обусловливает потребность использования циркуляционного оборудования. Система с принудительной циркуляцией является обязательно в случае многоэтажных домов.

При этом не обязательно использовать воду как основной теплоноситель. Поскольку обычная проточная вода имеет множество минусов, которые мешают его использовать. К основным из них относят возможность разрыва труб в случае сильных морозов при отсутствии нагрева. Также, эта жидкость может привести к коррозии и забиванию радиаторов. Поэтому, в современном оборудовании гораздо чаще используют специальные незамерзающие составы — антифризы, которые не замерзают.
На текущий момент существует три основных вида разводки, каждая из которых имеет свои достоинства. Если их объединять с циркуляционной помпой, у них будет множество достоинств.
К таковым системам относят:
- Однотрубную.
- Коллекторную или лучевую.
- Двухтрубную.

Важным элементом в системе отопления двухэтажного дома является насос. Его обычно монтируют на ветви с подающий, либо обратный трубопровод, рядом с котлом. Это обеспечивает повышенную скорость циркуляции теплоносителя по трубам при нормальном давлении. Это позволяет увеличить скорость циркуляции в 2.5-5 раз. Это важно для домов с большой площадью, поскольку при использовании однотрубной разводки отопления теплоноситель будет слишком быстро остывать, и в помещениях, удаленных от котельной температура будет несколько ниже, чем в расположенных рядом.
Двухтрубная система отопления двухэтажного дома своими руками. Суть и достоинства двухтрубной схемы отопления
Такая система включает в состав нагревательный котёл, отопительные радиаторы, приборы контроля, трубы для подачи теплоносителя (горячей воды), сопутствующую арматуру и прочие элементы. При условии правильного подбора всех составляющих конструкции, разумного планирования разводки и добросовестной сборки контура теплоснабжения использование схемы позволит, обеспечивая во всех помещениях дома предпочтительный температурный режим, существенно снизить расходы на отопление.
Принцип работы двухтрубной системы отопления двухэтажного дома заключается в подаче теплоносителя (в данном случае горячей воды) через коллектор и подающую трубу к каждому из подключенных радиаторов и последующем отведении отдавшей тепло влаги через отводящую трубу. В соответствии с количеством используемых труб такую схему и называют двухтрубной.

Преимущества системы:
- Достижение равномерного прогревания всех входящих в контур радиаторов за счёт поступления в них имеющего одинаковую температуру теплоносителя.
- Возможность, при условии установки управляемого вручную термостата, определять для каждой комнаты здания свой температурный режим и по мере необходимости изменять его.
- Небольшие потери давления в системе, благодаря чему, не теряя в температурных показателях, можно использовать менее производительный и, соответственно, не потребляющий много электрической энергии насос. В одноэтажных постройках использование насоса вообще может быть исключено, однако тогда значительно снижается энергоэффективность контура.
- Универсальность. Двухтрубную систему допускается применять в частных домах с любым количеством этажей.
Перед тем, как закупать необходимые материалы и приступать к монтажу контура, нужно спланировать схему отопления и рассчитать возможность её размещения на данной площади. Длины отходящих от узла труб должны быть примерно одинаковы.
Отопление двухэтажного дома двухконтурным котлом. Схема отопления двухэтажного дома с двухконтурным котлом
Обычная схема отопления двухэтажного дома с двухконтурным котлом ничем не отличается от такой же схемы с одноконтурным теплогенератором, если дело касается только обогрева помещений. Что же касается ГВС, то схема отопления двухэтажного дома с двухконтурным котлом имеет свои особенности.  В первую очередь, это добавление к обвязке теплогенератора в виде подводящего и отводящего трубопровода ГВС. Подводится холодная вода, а отводится, соответственно, горячая. При этом схема отопления двухэтажного дома с двухконтурным котлом будет иметь также отличия от ГВС в одноэтажном доме. В чем отличия?
 В первую очередь, это добавление к обвязке теплогенератора в виде подводящего и отводящего трубопровода ГВС. Подводится холодная вода, а отводится, соответственно, горячая. При этом схема отопления двухэтажного дома с двухконтурным котлом будет иметь также отличия от ГВС в одноэтажном доме. В чем отличия?  Во-первых, вся система горячего водоснабжения, равно как и, в одноэтажном доме проходит по 1 уровню. В двухэтажном доме вы должны формировать 2 ветки отопления и 2 ветки ГВС – на первом и на втором этаже.
 Во-первых, вся система горячего водоснабжения, равно как и, в одноэтажном доме проходит по 1 уровню. В двухэтажном доме вы должны формировать 2 ветки отопления и 2 ветки ГВС – на первом и на втором этаже.  Во-вторых, при использовании двухконтурного котла, особенно газового, неразумно использовать для нагрева воды электрические бойлеры. Это значит, что после узла нагрева вы должны делать точки водоразбора по всему дому, на 1 и 2 этаже, на минимальном расстоянии от котла. И если раньше вы могли разместить 2 бойлера – на первом и втором этаже, то теперь у вас один узел нагрева – в котельной.
 Во-вторых, при использовании двухконтурного котла, особенно газового, неразумно использовать для нагрева воды электрические бойлеры. Это значит, что после узла нагрева вы должны делать точки водоразбора по всему дому, на 1 и 2 этаже, на минимальном расстоянии от котла. И если раньше вы могли разместить 2 бойлера – на первом и втором этаже, то теперь у вас один узел нагрева – в котельной.  В-третьих, раз вы используетедля производства ГВС, то вам стоит подумать над тем, чтобы размещать санузлы, кухню на первом этаже поблизости от котельной. А санузел второго этажа – обустроить прямо над котельной, блокируя его, например, с прачечной.
 В-третьих, раз вы используетедля производства ГВС, то вам стоит подумать над тем, чтобы размещать санузлы, кухню на первом этаже поблизости от котельной. А санузел второго этажа – обустроить прямо над котельной, блокируя его, например, с прачечной.  Некоторые хозяева прачечную размещают в подвале. Однако удобнее всего, когда прачечная располагается рядом со спальнями – поверьте слову практика. Но про прачечные и ГВС – подробно в другом материале.
 Некоторые хозяева прачечную размещают в подвале. Однако удобнее всего, когда прачечная располагается рядом со спальнями – поверьте слову практика. Но про прачечные и ГВС – подробно в другом материале. 